Seite 1 von 1
Einschalten beim 2. Versuch
Verfasst: 25.08.2021 22:39
von Sleeπ
von Antic » Fr 1. Jan 2021, 01:49
Hallo in die Runde,
ich weiß nicht, wie ich es besser ausdrücken soll:
Einer meiner 800XL braucht immer einen zweiten Einschaltversuch.
Netzschalter ein... Rote Lampe leuchtet...warten.... nix
Aus und wieder an... dauert ein bisschen... geht
Man kann das jederzeit reproduzieren
Auch wenn er warm ist.
Läuft ansonsten stabil
Mir ist klar, dass Ferndiagnosen nicht gehen, aber vielleicht ist das ein bekanntest Problem?
Elkos?
Viele Grüße Marco
Re: Einschalten beim 2. Versuch
Verfasst: 25.08.2021 22:39
von Sleeπ
von Erhard » Fr 1. Jan 2021, 10:42
Hi,
mir ist das nicht als "bekanntes Problem" bekannt.
Könnte so einiges sein, angefangen vom Netzteil über den Resetschaltkreis, irgendwelche Chips die spinnen und natürlich auch Elkos.
Allerdings hatten die meisten Elkos, mit denen ich im A8-Bereich zu tun hatte, einen Kurzschluß, womit dann die rote Lampe eher nicht leuchten dürfte. (Dagegen haben die meisten Elkos in Schaltnetzteilen wie in Flachbildschirmen in der Regel das Problem, daß sie keine Kapazität mehr haben).
Klingt für mich also eher nach einem Forschungsauftrag.
Glücklicherweise ist im A8-Bereich in der Regel fast alles reparierbar - man muß nur den Fehler _finden_.
CU, Erhard
Re: Einschalten beim 2. Versuch
Verfasst: 25.08.2021 22:39
von Sleeπ
von tfhh » Fr 1. Jan 2021, 14:19
Moin Marco,
Antic hat geschrieben:
Einer meiner 800XL braucht immer einen zweiten Einschaltversuch.
Netzschalter ein... Rote Lampe leuchtet...warten.... nix
Aus und wieder an... dauert ein bisschen... geht
Ein Elko könnte gut der Schuldige sein. Wenn wir über die "übliche" 800XL Platine reden (fünf 40 polige Chips drauf), dann tausche mal auf Verdacht den Elko C49 (10 uF) aus. Ein Wert von 10...33 uF ist ok. Dieser Elko sorgt dafür, daß beim Einschalten die RESET Leitung für eine gewisse Zeit auf High bleibt. Hat der Elko eine zu geringe Kapazität, dann wird RESET zu schnell low, was dazu führen könnte, daß CPU oder andere Chips noch nicht "bereit" sind. Hilft das nicht, teste mal den Austausch des 74LS14 - der buffert das RESET-Signal, auch hier kann es aufgrund des Alters einfach mal zu einer Macke kommen.
Wenn es die XLF Platine ist (sechs 40 polige Chips), dann tausche die beiden 470 uF Elkos aus. Der eine ist direkt beim Ein-/Aus-Schalter, der andere unterhalb des O.S. ROMs (28 poliger Chip). Normalerweise sind alternde Elkos bei den XL-Serien eher kein Problem - bis auf diese 470 uF Elkos der XLF Platinen. Da habe ich auch schon dutzende Typen gehabt, die kurz davor waren, zu platzen (Deckel oben schön rund).
Viel Erfolg, Jürgen
Re: Einschalten beim 2. Versuch
Verfasst: 25.08.2021 22:39
von Sleeπ
von Fan2000 » Sa 2. Jan 2021, 11:34
Hallo Leute,
ich würde mich gern hier ranhängen, habe genau das Problem bei einem 800 XE.
@Jürgen, hast Du da auch neuralgische Punkte die beim XE das Problem verursachen, ich habe nichts Äquivalentes auf dem XE Board gefunden, wo ich hätte ansetzen können!
LG
Falk
Re: Einschalten beim 2. Versuch
Verfasst: 25.08.2021 22:40
von Sleeπ
von tfhh » Sa 2. Jan 2021, 12:53
Moin Falk,
Fan2000 hat geschrieben:
ich würde mich gern hier ranhängen, habe genau das Problem bei einem 800 XE.
@Jürgen, hast Du da auch neuralgische Punkte die beim XE das Problem verursachen, ich habe nichts Äquivalentes auf dem XE Board gefunden, wo ich hätte ansetzen können!
Bei allen XE Modellen würde ich dazu raten, den 470 uF Elko oben links neben dem Power-Schalter zu tauschen. Das ist - aus meiner Erfahrung - nebst den beiden identischen Typen auf den 800 XLF Platinen der einzige Elko, der wirklich Probleme machen kann. Ansonsten ist blindes "Recappen" bei Atari 8-Bit meines Erachtens Unsinn.
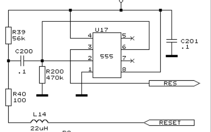
Beim XE ist die Resetlogik vollständig anders. Während die XL Rechner ein simples RC-Glied als "Einschaltverzögerung" haben, ist auf dem XE Platinen ein NE555 Timer verbaut. Als User merkt man den Unterschied schon allein dadurch, daß ein XL kein Bild zeigt, solange RESET gedrückt und gehalten wird, ein XE jedoch nach definierter Zeit wieder ein Bild bzw. READY-Prompt zeigt, selbst wenn man die RESET-Taste noch gedrückt hält.
Bei den XE Modellen werden keramische Kondensatoren um den NE555 verwendet (um die Verzögerung festzulegen), da ist ein Defekt an sich auszuschließen. Generell ist der Einschaltfehler beim XE deutlich seltener bei mir aufgetreten, von daher ist es schwierig. Der NE555 könnte einen Schaden haben (hatte ich bisher nur ein Einziges mal), es kann ebenso ein anderer Chip sein. Am ehesten würde ich auf CPU tippen, ich hatte durchaus schon 1-2 Exemplare, die einfach erst nach 10-15 Sekunden so richtig anlaufen wollten (vornehmlich Signetics).
Es gibt - sehr selten - XE Platinen, wo die Diode um den NE555 nicht vorhanden ist. Wenn dem so ist, dann sende mal gut auflösende Bilder Deiner Platine rund um den NE555 herum.
Viele Grüße, Jürgen
Re: Einschalten beim 2. Versuch
Verfasst: 25.08.2021 22:40
von Sleeπ
von Fan2000 » Sa 2. Jan 2021, 13:19
Hallo Jürgen, danke für Deine Ausführungen, hier das Bild, ich hoffe, es ist die richtige Stelle.
Re: Einschalten beim 2. Versuch
Verfasst: 25.08.2021 22:41
von Sleeπ
von dl7ukk » Fr 2. Apr 2021, 14:08
Hallo Jürgen,
tfhh hat geschrieben:
Es gibt - sehr selten - XE Platinen, wo die Diode um den NE555 nicht vorhanden ist. Wenn dem so ist, dann sende mal gut auflösende Bilder Deiner Platine rund um den NE555 herum.
Hilf mit bitte auf die Sprünge.
Im Schaltplan von Sobola habe ich keine Diode am 555 gefunden und auf den Boards muss sie gut getarnt sein.
Wo liegt das "Ding"?? Wo muss sie hin??

- Bildschirmfoto zu 2021-04-02 14-05-02.png (14.5 KiB) 6621 mal betrachtet
Vielen Dank & frohe Ostern
dl7ukk
Re: Einschalten beim 2. Versuch
Verfasst: 25.08.2021 22:41
von Sleeπ
von Mathy » Fr 2. Apr 2021, 15:41
Hallo Andreas
Die Schaltpläne die Atari Benelux damals an den Niederländischen SAG (Stiftung Atari Benutzer) weitergeleitet hat, findest Du auf
meiner Docs Seite.
Tschüß
Mathy
PS irgendwie funktioniert der Link jetzt nicht. Bin auf der Arbeit und hab die Bildschirmbrille nicht dabei. Wenn einer der Moderatoren den Link reparieren könnte und dann dieses PS löschen könnte... Danke.
Re: Einschalten beim 2. Versuch
Verfasst: 25.08.2021 22:42
von Sleeπ
von dl7ukk » Fr 2. Apr 2021, 16:38
Danke Dir Mathy,
aber in Deinem 130XE Plan finde ich auch keine Diode am 555.

- Bildschirmfoto zu 2021-04-02 16-34-16.png (63.36 KiB) 6621 mal betrachtet
Aber einen Sinn muss die Diode schon haben, sonst hätte sie Jürgen nicht erwähnt.
dl7ukk
Re: Einschalten beim 2. Versuch
Verfasst: 25.08.2021 22:43
von Sleeπ
von nortobor » Sa 3. Apr 2021, 16:08
habe meinen 130XE mal geöffnet und eine Diode am 555 gefunden. Ist aber nachträglich eingelötet. Welche Funktion könnte die hier haben ?

- NE555.jpg (171.42 KiB) 6620 mal betrachtet
Re: Einschalten beim 2. Versuch
Verfasst: 25.08.2021 22:43
von Sleeπ
von Bernd » Sa 3. Apr 2021, 21:17
nortobor hat geschrieben:
habe meinen 130XE mal geöffnet und eine Diode am 555 gefunden. Ist aber nachträglich eingelötet. Welche Funktion könnte die hier haben ?
Damit der Kondensator C200 nach dem Ausschalten des Ataris sofort entladen wird. Schaltet man aus und zu schnell wieder ein kann es zu einer Fehlfunktion der Reset Schaltung kommen.
Bye,
Bernd
Re: Einschalten beim 2. Versuch
Verfasst: 25.08.2021 22:43
von Sleeπ
von Mathy » Sa 3. Apr 2021, 23:34
Bernd
Bernd hat geschrieben:
Schaltet man aus und zu schnell wieder ein kann es zu einer Fehlfunktion der Reset Schaltung kommen.
Wie macht sich das bemerkbar?
Tschüß
Mathy
Re: Einschalten beim 2. Versuch
Verfasst: 25.08.2021 22:44
von Sleeπ
von Bernd » Sa 3. Apr 2021, 23:53
Mathy hat geschrieben:
Bernd
Bernd hat geschrieben:
Schaltet man aus und zu schnell wieder ein kann es zu einer Fehlfunktion der Reset Schaltung kommen.
Wie macht sich das bemerkbar?
Tschüß
Mathy
Noch nie das Problem bei einem XE gehabt?
Du schaltest aus und wieder ein und hast das gleiche Bild wie vor dem Ausschalten auf dem Monitor?
Dann wartest du 10 Sekunden oder länger bis der Rechner nach dem Einschalten wieder bootet.
2 meiner XE Rechner hatten das Problem, die Diode hat geholfen.
Bye,
Bernd
Re: Einschalten beim 2. Versuch
Verfasst: 25.08.2021 22:44
von Sleeπ
von Mathy » So 4. Apr 2021, 00:45
Hallo Bernd
Also das Problem wobei der Rechner keinen Neustart ausführt wenn man nicht mindestens 10 Sekunden warten zwischen Aus- und wieder Einschalten. Das gibt es wenn Ich mich nicht irre beim 800XL auch schon mal, wenn Ich mich recht entsinne besonders dann, wenn man eine "altmodische" Speichererweiterung eingebaut hat.
Ich meinte schon das kapiert zu haben, wollte nur mal nachfragen.
Sieht so aus, als sollte Ich meine XEs mal checken. Habe Ich überlesen welche Diode man da genau nachrüsten sollte, oder ... ?
Tschüß
Mathy
Re: Einschalten beim 2. Versuch
Verfasst: 25.08.2021 22:44
von Sleeπ
von dl7ukk » So 4. Apr 2021, 12:01
Erstmal frohe Ostern an alle Mitleser (neusprech; Mitlesende

)
Mathy hat geschrieben:
Sieht so aus, als sollte Ich meine XEs mal checken. Habe Ich überlesen welche Diode man da genau nachrüsten sollte, oder ... ?
Mathy
Gemach, gemach. Sich seine Ataris öfter mal anzuschauen, ist nicht nur eine gute, sondern eine ausgezeichnete Ide und dass nicht nur zu Ostern, Pflaumenpfingsten und Xmas.
Mir ist die Funktion der Diode noch nicht klar. Vorausgesetzt es handelt sich nicht um eine Spezial-Diode (wie Z~, Tunnel~ wohl eher nicht ... ) und die Diode wurde auch richtig eingelötet, passiert da nicht viel.
Anode an Masse, das reicht schon. Damit ist die Diode in Sperrichtung eingebaut. Auch beim Aus~ und Einschalten dürfte keine (Gleich-) Spannung negativer als 0,7V (Si) unter Masse sein.
Und im Logik Plan (Logic Charts) in Sams ComputerFacts ist für den 555 an PIN 2 & 6 Low angegeben ...
Ich weiß; dürfte, hätte, könnte, der eletr. Strom fließt auch dort, wo mein Geist nicht hinkommt. (Ladungspumpe im OPV ..., ich habe keine Ahnung)
Vielleicht gibt es aber eine gute Erklärung dafür.
Vielen Dank

- Bildschirmfoto zu 2021-04-04 11-50-23.png (9.74 KiB) 6619 mal betrachtet
dl7ukk
Re: Einschalten beim 2. Versuch
Verfasst: 25.08.2021 22:45
von Sleeπ
von Bernd » So 4. Apr 2021, 19:04
Never change a running system!
Solange man keine Probleme hat kann die Diode entfallen. Es liegt an dem 555 Timer IC. Da gibt es verschiedene Versionen, eine davon ist sehr Hochohmig und sorgt für eine ssseeeehhhhhhrrrrr langsame Entladung.
Warum die Diode wirksam ist -> siehe Elektrotechnik Fachbuch - Grundlagen...
In der Mitte gibt es ein Bild -> Kondensator wird geladen und Kondensator wird entladen. Beim Laden ist die Diode im Sperrzustand, beim Entladen stimmt die Stromrichtung.
https://www.elektrotechnik-fachbuch.de/ ... 7_1v2.html
Bye,
Bernd
Re: Einschalten beim 2. Versuch
Verfasst: 25.08.2021 22:46
von Sleeπ
von dl7ukk » Di 6. Apr 2021, 03:18
Hallo Bernd,
hätte ich mich bloß nicht damit beschäftigt
Zunächst erst einmal, Danke für den Literaturhinweis. Ich kann feststellen, dass das was sie uns vor fast
50 Jahren beigebracht haben, immer noch stimmt. :notworthy:
Ich habe Einwände zu dem was Du schreibst.
Einmal ist der Kondensator im XL um den Faktor 100(!) größer, als der im XE.
Zum Anderen besteht die Eingangsschaltung des 555 aus einem/ besser zwei OPV (OV) und die sollten idealer Weise einen unendlichen hohen Eingangswiderstand haben (idealer Weise). Haben sie aber nicht. Von da her wird die Ladung von 5*10⁻⁷ Q doch recht fix abgebaut. (Wobei beim Ein~ & Abschalten sowieso andere Verhältnisse relevant sind.)
Da die Eingänge 2&6 vom 555 auf Low/ 0 liegen und wohl eine Si-Diode mit einer Schwellenspannung von 0,7 Volt benutzt wird, kommt diese Diode kaum zum Zuge.
Na-ja, dass ist graue Theorie. Also habe ich mal an zwei XE Boards nachgemessen. Es sind abgespeckte 130er, als 800XE.
Zunächst der Moment des Abschalten der Betriebsspannung, am Pin 2/6 des 555.

- AUS-1er-XE130-800.jpg (49.79 KiB) 6616 mal betrachtet

- AUS-2er-XE130-800.jpg (49.28 KiB) 6616 mal betrachtet
Egal wie schlecht mein DSO ist, nach gut. 0,2 Sec. ist Ruhe am Pin 2/6 des 555. Wer es schafft in dieser kurzen wieder zuzuschalten, ist selbst Schuld. Die Spannung liegt um die 0,5 Volt, da kann eine Si-Diode
noch nicht leiten ...
Zur Vollständigkeit noch der Einschaltmoment an den beiden Boards, am Pin 2/6 des 555

- EIN-1er-XE130-800.jpg (49.2 KiB) 6616 mal betrachtet
hier leider mit einen andere Auflösung V/div

- EIN-2er-XE130-800.jpg (48.39 KiB) 6616 mal betrachtet
und weil ich gerade dabei war, ein Reset, am Pin 2/6 des 555

- RESET-XE130-800.jpg (50.68 KiB) 6616 mal betrachtet
Welche Motivation der Erfinder dieses Mods auch hatte, nachvollziehen kann ich es nicht.
:goteam:
dl7ukk
Re: Einschalten beim 2. Versuch
Verfasst: 25.08.2021 22:50
von Sleeπ
von Bernd » Mi 7. Apr 2021, 11:43
dl7ukk hat geschrieben:
Hallo Bernd,
hätte ich mich bloß nicht damit beschäftigt 
Zunächst erst einmal, Danke für den Literaturhinweis. Ich kann feststellen, dass das was sie uns vor fast
50 Jahren beigebracht haben, immer noch stimmt. :notworthy:
Ich habe Einwände zu dem was Du schreibst.
......
Welche Motivation der Erfinder dieses Mods auch hatte, nachvollziehen kann ich es nicht.
:goteam:
dl7ukk
Hi Andreas,
ich finde es Klasse dass du alles hinterfragst! :notworthy:
Der Literaturhinweis war nur ein Gag, du als Funker kennst natürlich die Eigenschaften....

Jetzt lässt sich das Ganze natürlich berechnen, Spannung ab der der NE555 Eingang aktiv ist, Zeit des Ladevorganges wenn diese Spannung erreicht wird, Lust und Zeit dazu habe ich nicht deshalb direkt weiter....
Nicht erschrecken, hier kommen die extra großen Bilder vom Erfinder

:mrgreen::mrgreen::mrgreen:
Es war ATARI

:shock::shock::shock::shock::shock: 130XE CIO3579 REV.1.
Unterhalb des NE555 befindet sich der Kondensator, der 470k Widerstand und in senkrechter Position die magische Diode. Du glaubst doch nicht Atari hätte damals auch nur ein Bauteil umsonst mehr eingebaut?
Wir sollten uns beim nächsten Treffen ein Bier gönnen und darüber philosophieren.....
Viele Grüße,
Bernd
Re: Einschalten beim 2. Versuch
Verfasst: 25.08.2021 22:51
von Sleeπ
von dl7ukk » Mi 7. Apr 2021, 23:20
Hallo Bernd,
Bernd hat geschrieben:
Es war ATARI
:shock::shock::shock::shock::shock: 130XE CIO3579 REV.1.
Unterhalb des NE555 befindet sich der Kondensator, der 470k Widerstand und in senkrechter Position die magische Diode. Du glaubst doch nicht Atari hätte damals auch nur ein Bauteil umsonst mehr eingebaut?
ja der Schock sitzt tief.

Zumal ja eher in der Produktion ein nützliches Bauteil/ BE wegen Pfennigen eingespart wird.
Aber erst mal vielen Dank für die Bilder. Gute Arbeit.
Grübel, grübel,
Noch nie das Problem bei einem XE gehabt?
Du schaltest aus und wieder ein und hast das gleiche Bild wie vor dem Ausschalten auf dem Monitor?
Dann wartest du 10 Sekunden oder länger bis der Rechner nach dem Einschalten wieder bootet.
2 meiner XE Rechner hatten das Problem, die Diode hat geholfen.
Wie das jedoch bei dem geschilderten Problem helfen soll? Ich weiß nicht. Auch bei einigen XL gibt es dieses Verhalten. Bei RESET und XL würde ich da zunächst auf einen trocknen Elko tippen.
Aber ich denke RESET und das gleiche Bild wie vor dem Ausschalten auf dem Monitor, sind zwei paar Schuhe.
War/ ist es nicht so, dass nach einem RESET, vom BS geprüft wird, ob warm oder kalt gestartet werden soll. Und wenn der DRam nicht dynamisch genug ist, was sagt dann die CPU ... ???
Aber dennoch wieder ein Top-Beispiel für ""Der eletr. Strom fließt auch dort, wo der menschliche Geist nicht hinkommt"".
Beobachten wir das mal weiter ...
Wir sollten uns beim nächsten Treffen ein Bier gönnen und darüber philosophieren.....
Sehr gerne! Rotkäppchen bringe ich mit, was soll ich kalt stellen mild oder trocken, ich mild.
Wer macht noch mit ?? :goteam:
dl7ukk