BIETE Industrie Mini-PC mit Touchscreen und Windows CE an

An- und Verkauf von Hard- und Software

Moderatoren: Sleeπ, andymanone

Antworten
Online
Benutzeravatar
mega-hz
Beiträge: 1921
Registriert: 03.11.2021 11:23
Has thanked: 611 times
Been thanked: 671 times

BIETE Industrie Mini-PC mit Touchscreen und Windows CE an

Beitrag von mega-hz »

keine PN's mehr! Bitte per email kontaktieren! atari1450xld©mega-hz.de

Online
Benutzeravatar
mega-hz
Beiträge: 1921
Registriert: 03.11.2021 11:23
Has thanked: 611 times
Been thanked: 671 times

Re: BIETE Industrie Mini-PC mit Touchscreen und Windows CE an

Beitrag von mega-hz »

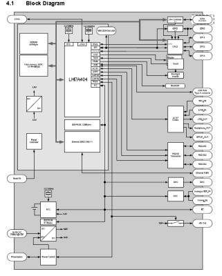
Ich habe hier einen zwar schon alten aber neuwertigen, unbenutzen Mini-Industrie-PC mit Touchscreen anzubieten!
Auf dem Flash ist Windows CE installiert mit allen Treibern die das Board so braucht.
Auflösung ist 640x480.
Screenshot (204).png
Screenshot (204).png (105.21 KiB) 124 mal betrachtet
Screenshot (201).png
Screenshot (201).png (35.45 KiB) 124 mal betrachtet
Tonnenweise Anschlüsse vorhanden!
Screenshot (202).png
Screenshot (202).png (35.44 KiB) 124 mal betrachtet
Screenshot (203).png
Screenshot (203).png (38.86 KiB) 124 mal betrachtet
Mit VisualBasic o.Ä. kann man das Teil auch prima zu Steuerungszwecken programmieren.


Das gute ist, ich habe auch die nicht mehr erhältlichen Unterlagen dazu als PDF!
Hier die beiden Dateien:
https://www.mega-hz.de/forum_bilder/JUP ... %20r07.pdf
https://www.mega-hz.de/forum_bilder/JUP ... %20r06.pdf
Das Teil kann mit 9-30V DC betrieben werden.

Zustand ist neu / unbenutzt!

Man kann sogar per Mediaplayer und SD-Karte Musik abspielen!

Das Teil ist einfach zu schade um nur rumzuliegen!


Hat jemand Interesse daran?

Preisvorstellung sind 25€ / zzgl. Porto.
keine PN's mehr! Bitte per email kontaktieren! atari1450xld©mega-hz.de

Antworten

Wer ist online?

Mitglieder in diesem Forum: 0 Mitglieder und 1 Gast