XL mit 512kB RAM-Disk

Moderatoren: Sleeπ, andymanone

Antworten
Burkhard
Beiträge: 480
Registriert: 03.06.2021 21:29
Has thanked: 10 times
Been thanked: 39 times
Kontaktdaten:

XL mit 512kB RAM-Disk

Beitrag von Burkhard »

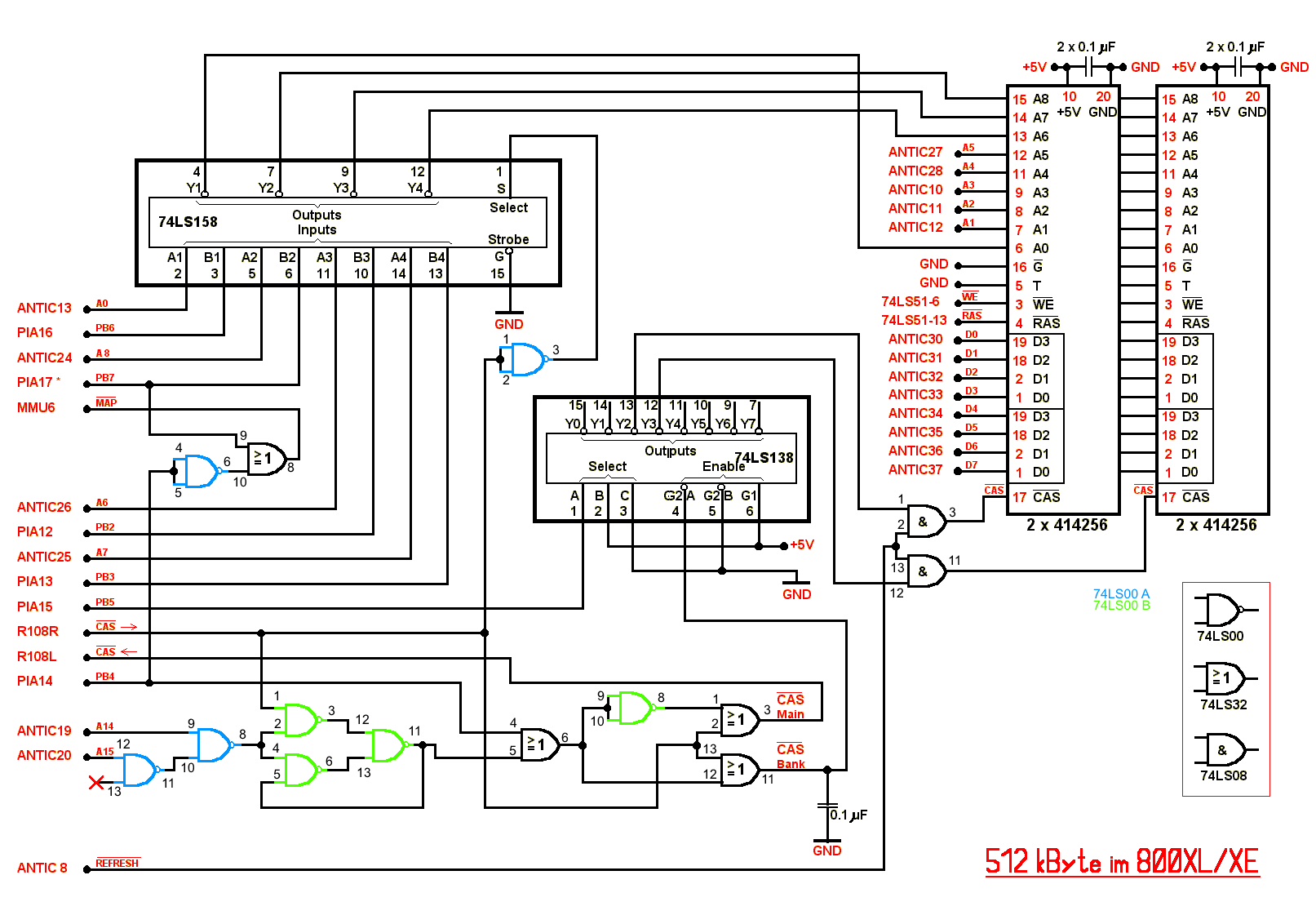
Ich befasse mich gerade noch damit, wie ich einem Tisch XL sowie - wenn In/Out wieder richtig funktionieren - meiner XEGS noch 512kB RAM-Disk verschaffen kann, wie sie von Bernhard Pahl hier beschrieben wird. Irgendwas stört mich aber am Schaltbild, daß ich für mich ein bißchen überschaubarer machte (Anhang):
Bezeichnet sind die verwendeten RAMs, von denen 2 gebraucht werden, mit "414256". Laut einer Tabelle geht aber hervor, daß die 1MB groß sind. Sollten die verwendeten RAMs nicht eher des Typs "41256" (256kB) sein? Von dem LS08 werden nur 2 Gatter gebraucht. Ich wurde mal Informiert, daß ein IC mit unbenutzten Gattern störend "schwingt", sollte ich nicht besser dann deren Ausgänge (Pins 6&8) auf GND legen?

Wenn Ihr die Gatter ICs anders beschalten würdet, wäre ich für Verbesserungen dankbar ...
Dateianhänge
RAM Tabelle.png
512kB XL.png

Benutzeravatar
Kveldulfur
Beiträge: 1085
Registriert: 17.08.2021 02:32
Has thanked: 560 times
Been thanked: 493 times
Kontaktdaten:

Re: XL mit 512kB RAM-Disk

Beitrag von Kveldulfur »

Hallo!

Der Chip hat 1MBit und nicht 1MByte.
Da 8Bit ein Byte ergeben, benötigt man 2MBit für 256KByte.

Grüße
Janko

Edit: Ich sehe gerade, dass lt. Schaltplan 4x 414256 benötigt wird, was auch Sinn macht, da nicht um 256KByte, sondern um 512KByte erweitert wird.
Meine Projekte findest Du hier...

Antworten

Wer ist online?

Mitglieder in diesem Forum: Bing [Bot] und 1 Gast