Atari 800XL PCB Remake - Erfahrungsaustauch
Moderatoren: Sleeπ, andymanone
- Sleeπ
- Beiträge: 2167
- Registriert: 18.06.2021 20:58
- Has thanked: 309 times
- Been thanked: 560 times
- Kontaktdaten:
Re: Atari 800XL PCB Remake - Erfahrungsaustauch
Die "originalen" Tastaturleisten mit den geraden Anschlüssen gibt es zwar nicht mehr bzw. sind nicht mehre lieferbar, aber die Version mit 90° abgewinkelten Anschlüssen sind imho noch lieferbar. Die Anschlüsse lassen sich einfach passend gerade biegen.
			
			
									
						Sleeπ
						- Emwee
- Beiträge: 305
- Registriert: 29.05.2022 14:47
- Has thanked: 45 times
- Been thanked: 84 times
- Kontaktdaten:
Re: Atari 800XL PCB Remake - Erfahrungsaustauch
*hmmmm* so jetzt ist die neue Tastaturleiste drin... aber es funktioniert trotzdem noch nicht.
Von der Tastatur funktionieren eigentlich nur die Sondertasten (Reset, ...,...) und manchmal die Cursor-Tasten - je nach Tageszeit und Sonnenstand und ob wir Vollmond haben oder nicht geht auch mal eine andere "normale" Taste.
Die Tastatur(en) habe ich nochmal am anderen Rechner probiert und sie funktionieren allesamt einwandfrei.
Jetzt stellt sich mir die Frage: da ich ("natürlich") ein paar ICs vom Opferrechner übernommen habe, kann da bei einem IC die Ursache liegen? Welcher ist denn beim Atari für die Tastatur zuständig?
			
			
									
						Von der Tastatur funktionieren eigentlich nur die Sondertasten (Reset, ...,...) und manchmal die Cursor-Tasten - je nach Tageszeit und Sonnenstand und ob wir Vollmond haben oder nicht geht auch mal eine andere "normale" Taste.
Die Tastatur(en) habe ich nochmal am anderen Rechner probiert und sie funktionieren allesamt einwandfrei.
Jetzt stellt sich mir die Frage: da ich ("natürlich") ein paar ICs vom Opferrechner übernommen habe, kann da bei einem IC die Ursache liegen? Welcher ist denn beim Atari für die Tastatur zuständig?
- Olix
- Beiträge: 2403
- Registriert: 17.08.2021 07:06
- Has thanked: 360 times
- Been thanked: 1737 times
- Kontaktdaten:
Re: Atari 800XL PCB Remake - Erfahrungsaustauch
Für die normalen Tasten in erster Linie die beiden 4051 und natürlich der Pokey.
Für die Funktionstasten der GTIA.
Und für Reset der 7414
			
			
									
						Und für Reset der 7414
- Emwee
- Beiträge: 305
- Registriert: 29.05.2022 14:47
- Has thanked: 45 times
- Been thanked: 84 times
- Kontaktdaten:
Re: Atari 800XL PCB Remake - Erfahrungsaustauch
Hmmm, Pokey habe ich schon ausgetauscht... 4051... die werde ich mal tauschen  danke!
 danke!
			
			
									
						 danke!
 danke!- Olix
- Beiträge: 2403
- Registriert: 17.08.2021 07:06
- Has thanked: 360 times
- Been thanked: 1737 times
- Kontaktdaten:
Re: Atari 800XL PCB Remake - Erfahrungsaustauch
... und kontrolliere mal auch die 4 Widerstands-Arrays RN1 bis RN4
			
			
									
						- Emwee
- Beiträge: 305
- Registriert: 29.05.2022 14:47
- Has thanked: 45 times
- Been thanked: 84 times
- Kontaktdaten:
Re: Atari 800XL PCB Remake - Erfahrungsaustauch
Also die 4051 habe ich mal ausgetauscht, keine Änderung.
Die Widerstand-Arrays, da habe ich keinen Ersatz gerade, aber da könnte ich ja die Widerstände aus dem Opfergerät auslösen und einsetzen.
			
			
									
						Die Widerstand-Arrays, da habe ich keinen Ersatz gerade, aber da könnte ich ja die Widerstände aus dem Opfergerät auslösen und einsetzen.
- Emwee
- Beiträge: 305
- Registriert: 29.05.2022 14:47
- Has thanked: 45 times
- Been thanked: 84 times
- Kontaktdaten:
Re: Atari 800XL PCB Remake - Erfahrungsaustauch
Widerstandsarrays sind auch ausgetauscht...
Aber da der Fehler schon beim alten Rechner auftrat muss es ein Teil sein das ich von dem Rechner übernommen habe... denke ich
			
			
									
						Aber da der Fehler schon beim alten Rechner auftrat muss es ein Teil sein das ich von dem Rechner übernommen habe... denke ich
- Olix
- Beiträge: 2403
- Registriert: 17.08.2021 07:06
- Has thanked: 360 times
- Been thanked: 1737 times
- Kontaktdaten:
Re: Atari 800XL PCB Remake - Erfahrungsaustauch
Also das ist schon etwas seltsam.
Ich fasse nochmal zusammen, sag mir wenn ich etwas falsch verstanden habe:
- Tastatur an einem anderen Rechner funktioniert ohne Probleme.
- Pokey und die beiden 4051 hast Du bereits getauscht
- die 24 polige Buchsenleiste für die Tastatur hast Du neu eingebaut
- Normale Tasten funktionieren sporadisch (aber eher selten als oft)
- Funktionstasten (Reset, Option, Select und Start) funktionieren immer
Meine Diagnose wäre eigentlich bei der Tastatur, aber du sagst ja an anderem Rechner ist alles gut.
Wie sieht es denn anders herum aus - hast DU schon ml eine andere Tastatur an deinem neuen Board betrieben?
Falls der Fehler dann gleich vorhanden ist, hätte ich auf Pokey oder 4051 getippt, da die Funktions und Reset-Tsten gehen und diese NICHT durch den Pokey verarbeitet werden.
Die Widerstand-Arrays sind eigentlich nur ein Schutz, dass bei Kurzschlüssen auf der Tastaturplatine eine Strombegrenzung vorhanden ist. SInd also eher unwahrscheinlich als Fehlerquelle, es sei dend sie haben einen falschen Wert und zu groß oder falscher Typ (die Arrays gibt es als einzelne Widerstände oder Widerstände mit gemeinsamen Punkt).
			
			
									
						Ich fasse nochmal zusammen, sag mir wenn ich etwas falsch verstanden habe:
- Tastatur an einem anderen Rechner funktioniert ohne Probleme.
- Pokey und die beiden 4051 hast Du bereits getauscht
- die 24 polige Buchsenleiste für die Tastatur hast Du neu eingebaut
- Normale Tasten funktionieren sporadisch (aber eher selten als oft)
- Funktionstasten (Reset, Option, Select und Start) funktionieren immer
Meine Diagnose wäre eigentlich bei der Tastatur, aber du sagst ja an anderem Rechner ist alles gut.
Wie sieht es denn anders herum aus - hast DU schon ml eine andere Tastatur an deinem neuen Board betrieben?
Falls der Fehler dann gleich vorhanden ist, hätte ich auf Pokey oder 4051 getippt, da die Funktions und Reset-Tsten gehen und diese NICHT durch den Pokey verarbeitet werden.
Die Widerstand-Arrays sind eigentlich nur ein Schutz, dass bei Kurzschlüssen auf der Tastaturplatine eine Strombegrenzung vorhanden ist. SInd also eher unwahrscheinlich als Fehlerquelle, es sei dend sie haben einen falschen Wert und zu groß oder falscher Typ (die Arrays gibt es als einzelne Widerstände oder Widerstände mit gemeinsamen Punkt).
- Emwee
- Beiträge: 305
- Registriert: 29.05.2022 14:47
- Has thanked: 45 times
- Been thanked: 84 times
- Kontaktdaten:
Re: Atari 800XL PCB Remake - Erfahrungsaustauch
Ja, ich habe an dem neuen Board drei Tastaturen ausprobiert.
Ich glaube fast das sogar nur die Reset-Taste geht, sonst gar nichts.
Ich finde es auch merkwürdig... was nun bliebe von einem anderen Rechner die ICs dort einzusetzen... RAM-Bausteine müßte ich sogar noch neue haben... dann würde ich quasi alles was "entliehen" ist austauschen...
			
			
									
						Ich glaube fast das sogar nur die Reset-Taste geht, sonst gar nichts.
Ich finde es auch merkwürdig... was nun bliebe von einem anderen Rechner die ICs dort einzusetzen... RAM-Bausteine müßte ich sogar noch neue haben... dann würde ich quasi alles was "entliehen" ist austauschen...
		Online		
						
						
			
		
				
		
		
	- andymanone
- Beiträge: 4219
- Registriert: 17.08.2021 12:34
- Wohnort: Berlin - Suburban
- Has thanked: 1048 times
- Been thanked: 1688 times
- Kontaktdaten:
Re: Atari 800XL PCB Remake - Erfahrungsaustauch
Ganz blöde Frage (nicht hauen dafür   ):
): 
Die Widerstandsarrays sind auch "richtig herum" eingelötet?
Gtx.,
andY
			
			
									
						 ):
): Die Widerstandsarrays sind auch "richtig herum" eingelötet?
Gtx.,
andY
Ressortleiter Hardware - Save the past and use the future!© andYManOne / Demozoo / Brandnew: My own Music Live Stream 24/7
						- Emwee
- Beiträge: 305
- Registriert: 29.05.2022 14:47
- Has thanked: 45 times
- Been thanked: 84 times
- Kontaktdaten:
Re: Atari 800XL PCB Remake - Erfahrungsaustauch
Nö, durchaus berechtigt - aber: waren sie … jetzt sind sie durch Widerstände vom Original-Rechner ersetzt.andymanone hat geschrieben: ↑14.09.2022 22:50Ganz blöde Frage (nicht hauen dafür):
Die Widerstandsarrays sind auch "richtig herum" eingelötet?
Gtx.,
andY
		Online		
						
						
			
		
				
		
		
	- andymanone
- Beiträge: 4219
- Registriert: 17.08.2021 12:34
- Wohnort: Berlin - Suburban
- Has thanked: 1048 times
- Been thanked: 1688 times
- Kontaktdaten:
Re: Atari 800XL PCB Remake - Erfahrungsaustauch
Ahh okay...
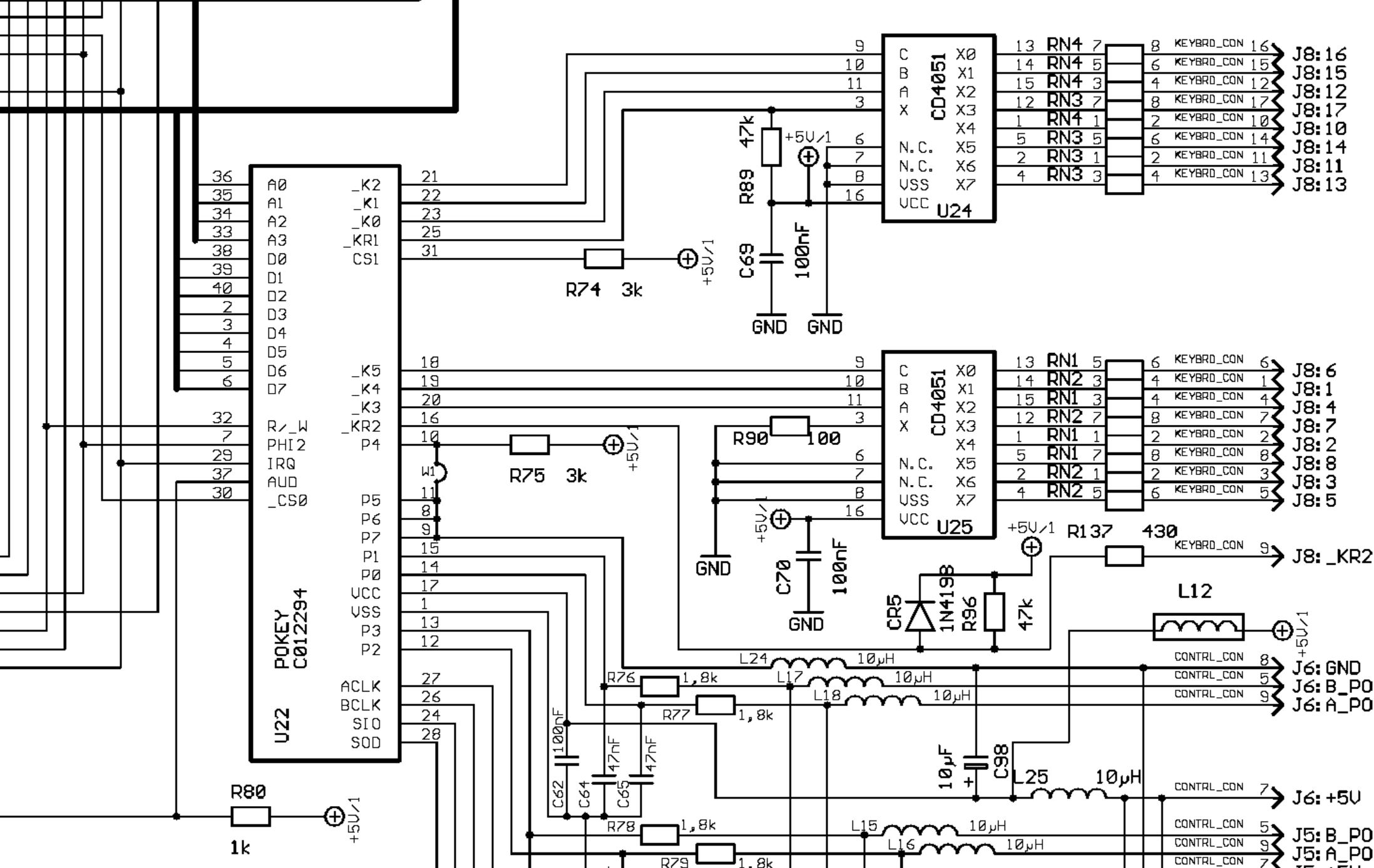
Na dann würde ich da jetzt systematisch weitersuchen und erstmal (anhand der Tastaturmatrix) mal messen, ob die "Tastenklicks" auch wirklich bei den CD4051 Multiplexern überhaupt ankommen.
Hier die Matrix:
Falls nicht, muss das Problem ja irgendwo auf der Strecke "Keyboard-Connector <-> CD4051" liegen.
Falls doch, würde ich im nächsten Schritt dann an den Ausgängen der beiden CD4051 prüfen, ob da die entsprechenden, kodierten Signale der Tastenklicks "rausgehen" (und wenn ja),
dann schauen ob die wiederum am POKEY ordnungsgemäß ankommen.
So, aber ich gehe erstmal auf die Matte für heute .
.
Viel Erfolg!
Gtx.,
andY
			
			
									
						Na dann würde ich da jetzt systematisch weitersuchen und erstmal (anhand der Tastaturmatrix) mal messen, ob die "Tastenklicks" auch wirklich bei den CD4051 Multiplexern überhaupt ankommen.
Hier die Matrix:
Falls nicht, muss das Problem ja irgendwo auf der Strecke "Keyboard-Connector <-> CD4051" liegen.
Falls doch, würde ich im nächsten Schritt dann an den Ausgängen der beiden CD4051 prüfen, ob da die entsprechenden, kodierten Signale der Tastenklicks "rausgehen" (und wenn ja),
dann schauen ob die wiederum am POKEY ordnungsgemäß ankommen.
So, aber ich gehe erstmal auf die Matte für heute
 .
.Viel Erfolg!
Gtx.,
andY
Ressortleiter Hardware - Save the past and use the future!© andYManOne / Demozoo / Brandnew: My own Music Live Stream 24/7
						- Emwee
- Beiträge: 305
- Registriert: 29.05.2022 14:47
- Has thanked: 45 times
- Been thanked: 84 times
- Kontaktdaten:
Re: Atari 800XL PCB Remake - Erfahrungsaustauch
Hmmmm... das würde ich ja glatt machen... *hüstel* aber... wie soll ich denn dabei vorgehen? also... wie messe ich wo? (jaja, DAU-Frage)
			
			
									
						
		Online		
						
						
			
		
				
		
		
	- andymanone
- Beiträge: 4219
- Registriert: 17.08.2021 12:34
- Wohnort: Berlin - Suburban
- Has thanked: 1048 times
- Been thanked: 1688 times
- Kontaktdaten:
Re: Atari 800XL PCB Remake - Erfahrungsaustauch
@Frage: Nee, kein Problem  
 
Also das Einfachste wäre mit einem Multimeter (im Ohm-Modus) die Matrix durchzumessen.
Wenn Du z.B. die Taste "A" prüfen willst, misst Du laut Matrix den Widerstand zwischen Pin "16" und Pin "6",
oder beim "W" dann zwischen Pin "15" und Pin "4".
In dem Moment wo Du die entsprechende Taste drückst , sollte der Ohmwert gegen Null (bzw. niederohmiger werden)!
Dann musst du mal schauen, wo, lt. Schaltplanausschnitt welcher Pin vom Tastaturkabel dann an die beiden CD4051 weitergeleitet wird (ist im Schaltplan nummeriert,
jeweils X0-X7) und dort ebenfalls messen, ob bei gedrückter Taste sich der Wert äquivalent ändert.
Wenn das soweit funktioniert, müsstest Du als nächstes (dann im Voltmeter-Modus) prüfen, ob die Multiplexer richtig arbeiten und sich bei mindestens einem (oder mehreren)
der 3 Ausgänge der beiden CD4051 (je Pin 11/10/9 (A/B/C)) der Pegel ändert wenn Du eine Taste drückst.
Wenn das so ist, zum Schluss nochmal am POKEY (Pin18 - Pin 23) messen ob sich das dort genauso verhält wie bei den beiden CD4051 Ausgängen.
Wenn nicht, dann liegt der Fehler irgendwo auf der Strecker zwischen den beiden 4051 und dem POKEY.
Gtx.,
andY
			
			
													 
 Also das Einfachste wäre mit einem Multimeter (im Ohm-Modus) die Matrix durchzumessen.
Wenn Du z.B. die Taste "A" prüfen willst, misst Du laut Matrix den Widerstand zwischen Pin "16" und Pin "6",
oder beim "W" dann zwischen Pin "15" und Pin "4".
In dem Moment wo Du die entsprechende Taste drückst , sollte der Ohmwert gegen Null (bzw. niederohmiger werden)!
Dann musst du mal schauen, wo, lt. Schaltplanausschnitt welcher Pin vom Tastaturkabel dann an die beiden CD4051 weitergeleitet wird (ist im Schaltplan nummeriert,
jeweils X0-X7) und dort ebenfalls messen, ob bei gedrückter Taste sich der Wert äquivalent ändert.
Wenn das soweit funktioniert, müsstest Du als nächstes (dann im Voltmeter-Modus) prüfen, ob die Multiplexer richtig arbeiten und sich bei mindestens einem (oder mehreren)
der 3 Ausgänge der beiden CD4051 (je Pin 11/10/9 (A/B/C)) der Pegel ändert wenn Du eine Taste drückst.
Wenn das so ist, zum Schluss nochmal am POKEY (Pin18 - Pin 23) messen ob sich das dort genauso verhält wie bei den beiden CD4051 Ausgängen.
Wenn nicht, dann liegt der Fehler irgendwo auf der Strecker zwischen den beiden 4051 und dem POKEY.
Gtx.,
andY
					Zuletzt geändert von andymanone am 15.09.2022 20:51, insgesamt 1-mal geändert.
									
			
						Ressortleiter Hardware - Save the past and use the future!© andYManOne / Demozoo / Brandnew: My own Music Live Stream 24/7
						- Emwee
- Beiträge: 305
- Registriert: 29.05.2022 14:47
- Has thanked: 45 times
- Been thanked: 84 times
- Kontaktdaten:
Re: Atari 800XL PCB Remake - Erfahrungsaustauch
Das klingt nach etwas schiffbarem  - das bekomme ich hin.
 - das bekomme ich hin.
Gut, wird also meine Freitag-Abend/Samstag-Vormittag Aufgabe werden.
Danke dir!
			
			
									
						 - das bekomme ich hin.
 - das bekomme ich hin.Gut, wird also meine Freitag-Abend/Samstag-Vormittag Aufgabe werden.
Danke dir!
		Online		
						
						
			
		
				
		
		
	- andymanone
- Beiträge: 4219
- Registriert: 17.08.2021 12:34
- Wohnort: Berlin - Suburban
- Has thanked: 1048 times
- Been thanked: 1688 times
- Kontaktdaten:
Re: Atari 800XL PCB Remake - Erfahrungsaustauch
Alles klar   !
 !
Viel Erfolg!
Im Notfall nicht zögern und einfach nochmal fragen .
 .
Gtx.,
andY
			
			
									
						 !
 !Viel Erfolg!
Im Notfall nicht zögern und einfach nochmal fragen
 .
 .Gtx.,
andY
Ressortleiter Hardware - Save the past and use the future!© andYManOne / Demozoo / Brandnew: My own Music Live Stream 24/7
						- Emwee
- Beiträge: 305
- Registriert: 29.05.2022 14:47
- Has thanked: 45 times
- Been thanked: 84 times
- Kontaktdaten:
Re: Atari 800XL PCB Remake - Erfahrungsaustauch
Erfolg habe ich leider nichtandymanone hat geschrieben: ↑15.09.2022 20:33Viel Erfolg!
Im Notfall nicht zögern und einfach nochmal fragen.

Tastatur habe ich für ein paar Tasten durchgemessen und da ist "Leben" drin.
Ich versage aber bei den weiteren Messungen
 - jetzt dachte ich mir ich geh etwas "russisch" dran und mache einen idiotischen Test und nehme von den beiden 4051 jeweils Pin15 und "Brücke" die kurz, wenn ich das richtig deute sollte dann ein "T" erscheinen?
 - jetzt dachte ich mir ich geh etwas "russisch" dran und mache einen idiotischen Test und nehme von den beiden 4051 jeweils Pin15 und "Brücke" die kurz, wenn ich das richtig deute sollte dann ein "T" erscheinen?- Olix
- Beiträge: 2403
- Registriert: 17.08.2021 07:06
- Has thanked: 360 times
- Been thanked: 1737 times
- Kontaktdaten:
Re: Atari 800XL PCB Remake - Erfahrungsaustauch
... also direkt kurzschließen würde ich nicht empfehlen, denn wie du am Schaltplan sehen kannst liegt an jedem der Eingänge der 4051 ja noch ein 470 Ohm Widerstand. Also zum Brücken würde ich dann einen 1K Widerstand nehmen.
Aber an sonsten hast Du Recht, das sollte dann ein T ergeben.
			
			
									
						Aber an sonsten hast Du Recht, das sollte dann ein T ergeben.
- Olix
- Beiträge: 2403
- Registriert: 17.08.2021 07:06
- Has thanked: 360 times
- Been thanked: 1737 times
- Kontaktdaten:
Re: Atari 800XL PCB Remake - Erfahrungsaustauch
... nur so zur Sicherheit: Es steckt aber keine TK-II Tastaturplatine oder TK-II Stereo-Platine unter dem Pokey ?
			
			
									
						- Emwee
- Beiträge: 305
- Registriert: 29.05.2022 14:47
- Has thanked: 45 times
- Been thanked: 84 times
- Kontaktdaten:
Re: Atari 800XL PCB Remake - Erfahrungsaustauch
Hab ich so gemacht und es erscheintOlix hat geschrieben: ↑17.09.2022 13:40... also direkt kurzschließen würde ich nicht empfehlen, denn wie du am Schaltplan sehen kannst liegt an jedem der Eingänge der 4051 ja noch ein 470 Ohm Widerstand. Also zum Brücken würde ich dann einen 1K Widerstand nehmen.
Aber an sonsten hast Du Recht, das sollte dann ein T ergeben.
 (verschiedene andere habe ich auch ausprobiert)
 (verschiedene andere habe ich auch ausprobiert)Grundsätzlich ja, aber für meine Tests nicht - der Rechner hat aber noch ein VBXL und ein Ultimate 1MB verbaut (Fehler tritt aber auch ohne U1MB auf - VBXL muss ich drin lassen... sonst habe ich kein Bild).
Aber ich habe eine weitere Erkenntnis: ich kann für eine bestimmte Zeit tippen/bzw. für eine bestimmte Anzahl an Tastatur"anschlägen" (nicht gezählt wieviele) funktioniert es - dann funktioniert gar nichts mehr (außer Reset). Fast als wenn ein Puffer voll ist und dann aussteigt.
- Olix
- Beiträge: 2403
- Registriert: 17.08.2021 07:06
- Has thanked: 360 times
- Been thanked: 1737 times
- Kontaktdaten:
Re: Atari 800XL PCB Remake - Erfahrungsaustauch
... also das wird jetzt wirklich immer seltsamer!
Das mit dem TK-II habe ich nachgefragt, da dieser (sowohl der reine KR-II wie auch TK-II Stereo) einen Modus hat, indem die Tastatur am internen Anschluss abgeschaltet wird und nur die PS-II Tastatur verwendet wird. Das ist mir bei der ersten Platine dieser Art passiert und ich dachte erst da wäre was kaputt, bis ich herausgefunden habe, dass man die interne Tastatur ein und aus schalten kann. Die TK-II Software nennt das XEGS-Modus.
Aber das mit dem "Puffer-Voll" Symptom kann ich mir jetzt beim besten Willen nicht erklären.
Ich glaube das wird dann ein Fall für unsere Hardware Spezialisten.
Frage doch mal beim Hardware-Doc Jürgen (TF_HH) oder unserem Floppy-Doc (Erhard) an. Die sind bei solchen Spezial-Problemen oft die letzte Rettung.
			
			
									
						Das mit dem TK-II habe ich nachgefragt, da dieser (sowohl der reine KR-II wie auch TK-II Stereo) einen Modus hat, indem die Tastatur am internen Anschluss abgeschaltet wird und nur die PS-II Tastatur verwendet wird. Das ist mir bei der ersten Platine dieser Art passiert und ich dachte erst da wäre was kaputt, bis ich herausgefunden habe, dass man die interne Tastatur ein und aus schalten kann. Die TK-II Software nennt das XEGS-Modus.
Aber das mit dem "Puffer-Voll" Symptom kann ich mir jetzt beim besten Willen nicht erklären.
Ich glaube das wird dann ein Fall für unsere Hardware Spezialisten.
Frage doch mal beim Hardware-Doc Jürgen (TF_HH) oder unserem Floppy-Doc (Erhard) an. Die sind bei solchen Spezial-Problemen oft die letzte Rettung.
- Emwee
- Beiträge: 305
- Registriert: 29.05.2022 14:47
- Has thanked: 45 times
- Been thanked: 84 times
- Kontaktdaten:
Re: Atari 800XL PCB Remake - Erfahrungsaustauch
Ja, ist sehr kurios... geht leider auch inzwischen weit weit über mein Verständnis vom Atari 800XL (was ja eh noch sehr rudimentär ist) hinaus...
Ich habe mal Erhard angeschrieben
			
			
									
						Ich habe mal Erhard angeschrieben

		Online		
						
						 .
 .
Na das ist ja wirklich seltsam ....
 ....
Gtx.,
andY
			
			
									
						
			
		
				
		
		
	- andymanone
- Beiträge: 4219
- Registriert: 17.08.2021 12:34
- Wohnort: Berlin - Suburban
- Has thanked: 1048 times
- Been thanked: 1688 times
- Kontaktdaten:
Re: Atari 800XL PCB Remake - Erfahrungsaustauch
Sorry, war das ganze WE unterwegs, gerade erst gelesenEmwee hat geschrieben: ↑17.09.2022 12:42Erfolg habe ich leider nichtandymanone hat geschrieben: ↑15.09.2022 20:33Viel Erfolg!
Im Notfall nicht zögern und einfach nochmal fragen.
Tastatur habe ich für ein paar Tasten durchgemessen und da ist "Leben" drin.
Ich versage aber bei den weiteren Messungen- jetzt dachte ich mir ich geh etwas "russisch" dran und mache einen idiotischen Test und nehme von den beiden 4051 jeweils Pin15 und "Brücke" die kurz, wenn ich das richtig deute sollte dann ein "T" erscheinen?
 .
 .Na das ist ja wirklich seltsam
 ....
 ....Gtx.,
andY
Ressortleiter Hardware - Save the past and use the future!© andYManOne / Demozoo / Brandnew: My own Music Live Stream 24/7
						- Emwee
- Beiträge: 305
- Registriert: 29.05.2022 14:47
- Has thanked: 45 times
- Been thanked: 84 times
- Kontaktdaten:
Re: Atari 800XL PCB Remake - Erfahrungsaustauch
Dafür ist das Wochenende ja daandymanone hat geschrieben: ↑19.09.2022 09:39Sorry, war das ganze WE unterwegs, gerade erst gelesen.
Na das ist ja wirklich seltsam....
Gtx.,
andY

Ja, absolut seltsam, aber vielleicht ist das auch nur eine zufällige Begleiterscheinung... wer weiss... ich bin auf alle Fälle total am Ende meiner Ideen...
Das einzige was ich noch nicht draussen hatte war das VBXL, aber das brauche ich - sonst habe ich kein Bild (oder... ich könnte den einfachen S-Video-Mod machen *nachdenk* wenn ich nochmal finde wie ich den gemacht habe)... nur: die steht ja eigentlich in keinerlei Zusammenhang mit dem Problem.
		Online		
						
						
			
		
				
		
		
	- andymanone
- Beiträge: 4219
- Registriert: 17.08.2021 12:34
- Wohnort: Berlin - Suburban
- Has thanked: 1048 times
- Been thanked: 1688 times
- Kontaktdaten:
Re: Atari 800XL PCB Remake - Erfahrungsaustauch
Na Du könntest vielleicht ohne VBXL ins Basic booten, hast zwar dann kein Bild, aber am "Tasten-Klick"  könnte man hören,
ob er Keyboardeingaben dann annimmt.
VG,
André
			
			
									
						ob er Keyboardeingaben dann annimmt.
VG,
André
Ressortleiter Hardware - Save the past and use the future!© andYManOne / Demozoo / Brandnew: My own Music Live Stream 24/7
						- Emwee
- Beiträge: 305
- Registriert: 29.05.2022 14:47
- Has thanked: 45 times
- Been thanked: 84 times
- Kontaktdaten:
Re: Atari 800XL PCB Remake - Erfahrungsaustauch
Stimmt... das wäre eine Möglichkeit, nachher daheimmal schauen!
			
			
									
						- 24sumo
- Beiträge: 242
- Registriert: 17.08.2021 08:53
- Has thanked: 111 times
- Been thanked: 50 times
- Kontaktdaten:
Re: Atari 800XL PCB Remake - Erfahrungsaustauch
Wenn du den gleichen Fehler am Spenderrechner hattest, dann muss man eigentlich nur weitere Spenderteile als Fehlerquelle ausschließen (z.B. zum GTIA hattest du nicht geschrieben ob der schon quer getauscht wurde). Warum hast du eigentlich kein Bild ohne VBXL, die originale Monitorbuchse und Schaltung nicht verbaut? Grüße Bernhard
			
			
									
						- Emwee
- Beiträge: 305
- Registriert: 29.05.2022 14:47
- Has thanked: 45 times
- Been thanked: 84 times
- Kontaktdaten:
Re: Atari 800XL PCB Remake - Erfahrungsaustauch
Den habe ich gerade nochmal getauscht (war mir nicht mehr sicher) - keine Änderung.24sumo hat geschrieben: ↑19.09.2022 10:44Wenn du den gleichen Fehler am Spenderrechner hattest, dann muss man eigentlich nur weitere Spenderteile als Fehlerquelle ausschließen (z.B. zum GTIA hattest du nicht geschrieben ob der schon quer getauscht wurde). Warum hast du eigentlich kein Bild ohne VBXL, die originale Monitorbuchse und Schaltung nicht verbaut? Grüße Bernhard
Ja, sollte man meinen - ich denke aber ich habe alles vom Spender ausgetauscht bis auf U29 (CO60472).
Ohne VBXL habe ich auf keinem meiner Rechner ein Bild - die Buche ist vorhanden, ja.
Blindflug versucht, aber... ist irgendwie nicht Erfolgbringend.andymanone hat geschrieben: ↑19.09.2022 10:17Na Du könntest vielleicht ohne VBXL ins Basic booten, hast zwar dann kein Bild, aber am "Tasten-Klick" könnte man hören,
ob er Keyboardeingaben dann annimmt.
- Emwee
- Beiträge: 305
- Registriert: 29.05.2022 14:47
- Has thanked: 45 times
- Been thanked: 84 times
- Kontaktdaten:
Re: Atari 800XL PCB Remake - Erfahrungsaustauch
...so... damit das ganze hier auch eine offizielle Auflösung findet: letztendlich ist das Board zum Jürgen gereist und hat dort den Fehler lokalisiert - der war so banal und zeigte einmal mehr... man wird irgendwann blind... ein paar Pins waren nicht verlötet.
Warum ich aber auch das Problem beim Spender-Rechner hatte? Aber vielleicht war das nun nur Zufall und es hat dort eine andere Ursache, bzw. vielleicht war da der Fehler ähnlich aber nicht identisch - wer weiss, überprüfen kann ich es jetzt eh nimmer.
Danke an alle die mit mir geforscht haben!
Das finale Gerät:
So... Was mache ich nun als nächstes? Ich habe gerade kein Projekt
			
			
									
						Warum ich aber auch das Problem beim Spender-Rechner hatte? Aber vielleicht war das nun nur Zufall und es hat dort eine andere Ursache, bzw. vielleicht war da der Fehler ähnlich aber nicht identisch - wer weiss, überprüfen kann ich es jetzt eh nimmer.
Danke an alle die mit mir geforscht haben!
Das finale Gerät:
So... Was mache ich nun als nächstes? Ich habe gerade kein Projekt

- Emwee
- Beiträge: 305
- Registriert: 29.05.2022 14:47
- Has thanked: 45 times
- Been thanked: 84 times
- Kontaktdaten:
Re: Atari 800XL PCB Remake - Erfahrungsaustauch
Richtig! Das wird dieses Wochenende angegangen, da ist "Bastelwochenende" - ich wollte den Rechner erstmal wieder in Betrieb nehmen um ein wenig was mit ihm zu machen.
- Olix
- Beiträge: 2403
- Registriert: 17.08.2021 07:06
- Has thanked: 360 times
- Been thanked: 1737 times
- Kontaktdaten:
Re: Atari 800XL PCB Remake - Erfahrungsaustauch
... hast Du schon das XE-Remakeboard aus unserem Shop? [Link auf den ABBUC Shop - entfernt]*
Das passt auch wunderbar in das XE Plexiglasgehäuse.
Oder ein1088XEL, das steht bei mir ganz oben auf der Wunschliste.
https://ataribits.weebly.com/1088xel.html
* Ich habe den Link auf den ABBUC Shop aus diesem Posting entfernt - der Shop sollte aus rechtlichen Gründen nicht mit direktem Link verlinkt werden, sondern nur durch das ABBUC Mitglieder-Portal. Beste Grüsse - Carsten
- DjayBee
- Beiträge: 1109
- Registriert: 17.08.2021 04:02
- Has thanked: 834 times
- Been thanked: 413 times
- Kontaktdaten:
- Emwee
- Beiträge: 305
- Registriert: 29.05.2022 14:47
- Has thanked: 45 times
- Been thanked: 84 times
- Kontaktdaten:
Re: Atari 800XL PCB Remake - Erfahrungsaustauch
Das XE-Remake hab ich mir wirklich schonmal überlegt... aber da muss ich mir auch erstmal einen Spender besorgen - wobei das "Problem" zum Teil ja auch beim dem 1088XEL besteht (was auch eine ARG coole Nummer ist!).Olix hat geschrieben: ↑11.11.2022 10:00... hast Du schon das XE-Remakeboard aus unserem Shop? [Link auf den ABBUC Shop - entfernt]
Das passt auch wunderbar in das XE Plexiglasgehäuse.
Oder ein1088XEL, das steht bei mir ganz oben auf der Wunschliste.
https://ataribits.weebly.com/1088xel.html
Exakt DAS habe ich heute gemacht

- LarryL
- Beiträge: 129
- Registriert: 17.08.2021 06:53
- Wohnort: Bad Eilsen, Germany
- Has thanked: 35 times
- Been thanked: 16 times
- Kontaktdaten:
Re: Atari 800XL PCB Remake - Erfahrungsaustauch
Oh ja, so ein 1088XEL ist cool!Olix hat geschrieben: ↑11.11.2022 10:00
Oder ein1088XEL, das steht bei mir ganz oben auf der Wunschliste.
https://ataribits.weebly.com/1088xel.html
Hab da zwei von gebaut (einen mit, einen ohne Cartridge-Port)
Sehr cool ist auch der 576NUC
https://ataribits.weebly.com/576nuc.html
Da ist auch gleich ein FujiNet mit eingebaut

„Wir sind im Auftrag des Herrn unterwegs!“ („Joliet“ Jake & Elwood Blues)
						- 
				Cossi
- Beiträge: 117
- Registriert: 31.08.2021 12:24
- Has thanked: 14 times
- Been thanked: 18 times
- Kontaktdaten:
Re: Atari 800XL PCB Remake - Erfahrungsaustauch
Ich finds immer recht mühselig an die Platinen zu kommen ….
Also wen mal einer eine größere Bestellung beim Hersteller macht würd ich bestimmt 2 abnehmen …egal ob
1088 oder NUC 
 
Sieht sehr interessant aus 
 
Grüße
			
			
									
						Also wen mal einer eine größere Bestellung beim Hersteller macht würd ich bestimmt 2 abnehmen …egal ob
1088 oder NUC
 
 Sieht sehr interessant aus
 
 Grüße
- AlexVG
- Beiträge: 50
- Registriert: 21.01.2022 16:02
- Has thanked: 47 times
- Been thanked: 10 times
- Kontaktdaten:
Re: Atari 800XL PCB Remake - Erfahrungsaustauch
Hi, 
ich schließe mich Cossi an .. ich wäre bei dem nächsten Projekt auch gern dabei. Vielleicht brauchen wir dafür einen neuen Thread?
Ich bin auch gerade dabei einen "neuen" Atari 800 XL zu bauen (vielen Dank an Olix für seine Vorarbeit und seine Hilfe!!).
Und hier mal zwei drei Bilder von meinem Wochenende:
			
			
									
						ich schließe mich Cossi an .. ich wäre bei dem nächsten Projekt auch gern dabei. Vielleicht brauchen wir dafür einen neuen Thread?
Ich bin auch gerade dabei einen "neuen" Atari 800 XL zu bauen (vielen Dank an Olix für seine Vorarbeit und seine Hilfe!!).
Und hier mal zwei drei Bilder von meinem Wochenende:
- AlexVG
- Beiträge: 50
- Registriert: 21.01.2022 16:02
- Has thanked: 47 times
- Been thanked: 10 times
- Kontaktdaten:
Re: Atari 800XL PCB Remake - Erfahrungsaustauch
Tadaaa.. er ist fertig!
Und.. Alles funktioniert. Ich bin sehr happy!
Hier noch das Bild vom fertigen Board (noch nicht gereinigt):
			
			
									
						Und.. Alles funktioniert. Ich bin sehr happy!
Hier noch das Bild vom fertigen Board (noch nicht gereinigt):
- AlexVG
- Beiträge: 50
- Registriert: 21.01.2022 16:02
- Has thanked: 47 times
- Been thanked: 10 times
- Kontaktdaten:
 Re: Atari 800XL PCB Remake - Erfahrungsaustauch
 Re: Atari 800XL PCB Remake - Erfahrungsaustauch
													
							
						
			
			
			
			So .. mein Schätzchen ist jetzt in sein neues Zuhause eingezogen. Transparentes Plexiglas steht dem Atari ganz gut 
... Projekt abgeschlossen!
			
			
									
						
... Projekt abgeschlossen!

Wer ist online?
Mitglieder in diesem Forum: 0 Mitglieder und 1 Gast






 
  

