Projekt ASCB / ASCB-II
Moderatoren: Sleeπ, andymanone
-
Burkhard
- Beiträge: 514
- Registriert: 03.06.2021 21:29
- Has thanked: 10 times
- Been thanked: 41 times
- Kontaktdaten:
Re: Projekt ASCB / ASCB-II
Ich wollte auch nur @skr einen kleinen Gedankenstoß geben, selber benötige ich sowas auch nicht ...
- pancio
- Beiträge: 318
- Registriert: 31.08.2021 07:31
- Has thanked: 304 times
- Been thanked: 307 times
- Kontaktdaten:
Re: Projekt ASCB / ASCB-II
HiassofT hat geschrieben: ↑11.02.2026 16:06Clock-Out wird IIRC vom SIO2USB (von der RAF) und von der Indus Floppy verwendet um die Übertragungsrate zu ermitteln.
Clock-In ist in Wirklichkeit "Bidirectional Clock", kann also sowohl Ein- als auch Ausgang sein (je nach Modus der in SKCTL konfiguriert ist).
so long,
Hias
Hi Guys,
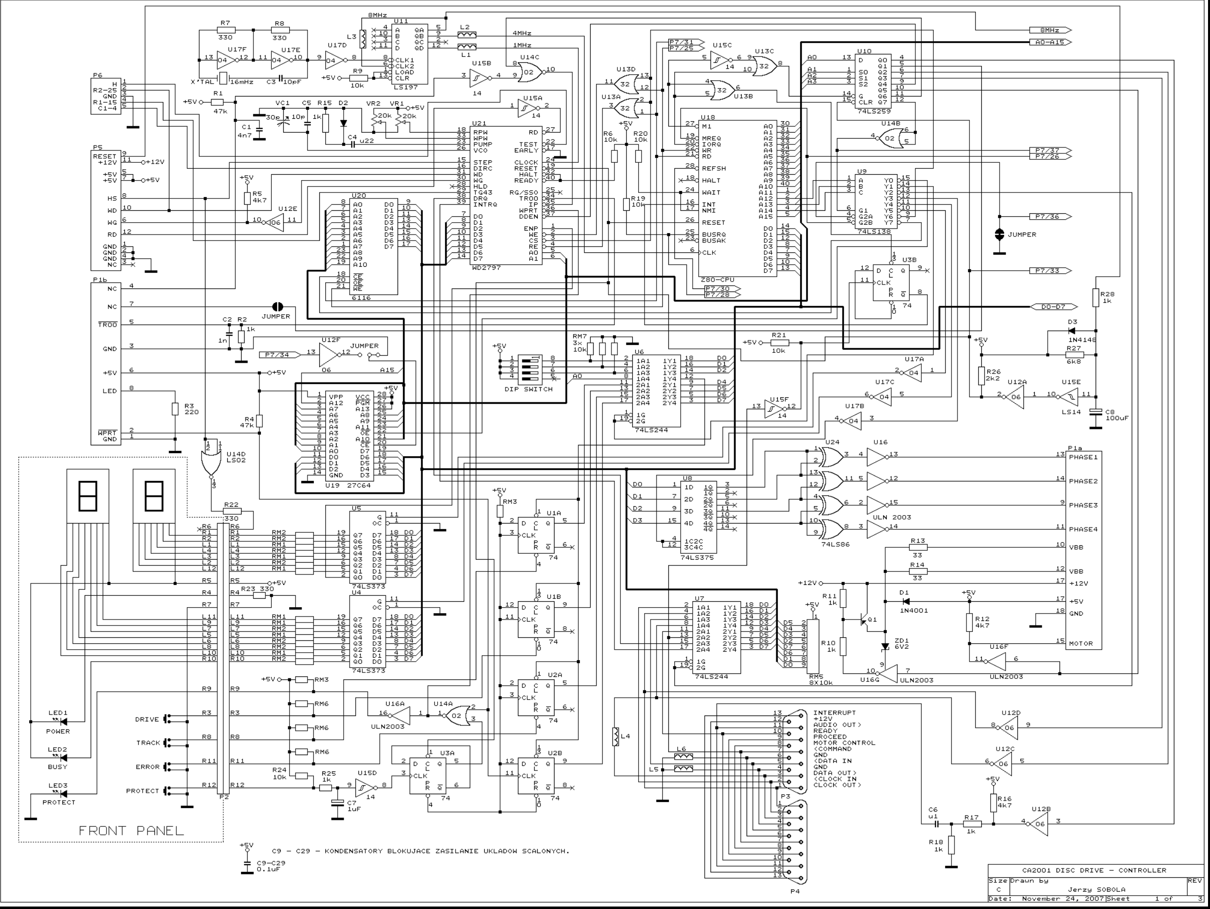
CLK_IN/CLK_OUT signals are also found in the CA2001/LDW2000 drives, which are almost faithful clones of the IndusGT, but I've never encountered their use. I'm very disappointed by this, because synchronous transmission allows for enormous possibilities. And it's not just about speed! An example is loading data while simultaneously playing music on POKEY.
Theoretically, it's possible to achieve speeds much higher than 125 kbps because we're not limited by the AUDF4 register. A few weeks ago, I ran tests in synchronous mode at speeds exceeding 300 kbps using an ESP32-S3, and the results were promising.
And why did Atari abandon the idea of using synchronous mode for higher speeds? This is likely due to a bug in the POKEY structure—the received bit is shifted in the buffer due to interference from the PHI2 clock. This issue is currently being investigated, and the well-known programmer @foft is trying to fix this POKEY bug in PokeyMax :-) If successful, transmissions of ~400 kbps will be possible.
There's another reason why synchronous mode wasn't used: the schematic (e.g., CA2001) indicates that the CLK_IN/CLK_OUT signals are fed from the data bus via the 74LS244, which means that each bit and clock cycle is sent using the BIT-BANG method (must be prepared by the CPU), which could be a bottleneck for the entire transmission process. These are just my guesses, but they seem plausible. If you have any information, please share it, as I'm also working on using synchronous mode...
Of course, the CLK_IN/CLK_OUT monitoring functionality will be very useful in ASCB, especially in the context of testing new SIO devices
BR,
pancio
- Pmetzen
- Beiträge: 174
- Registriert: 17.08.2021 20:46
- Has thanked: 4 times
- Been thanked: 35 times
- Kontaktdaten:
Re: Projekt ASCB / ASCB-II
Für alle die hier der Sprache English nicht so mächtig sind, hier die Übersetzung von Pancio über CLK_IN/CLK_OUT Signale.
Hallo zusammen,
CLK_IN/CLK_OUT-Signale finden sich auch in den CA2001/LDW2000-Laufwerken, die fast originalgetreue Klone des IndusGT sind, deren Verwendung ich aber nie erlebt habe. Das enttäuscht mich sehr, denn synchrone Übertragung eröffnet enorme Möglichkeiten. Und es geht nicht nur um Geschwindigkeit! Ein Beispiel ist, Daten zu laden, während gleichzeitig Musik auf POKEY abgespielt wird.
Theoretisch ist es möglich, Geschwindigkeiten viel höher als 125 kbps zu erreichen, weil wir nicht durch das AUDF4-Register eingeschränkt sind. Vor ein paar Wochen habe ich Tests im synchronen Modus mit Geschwindigkeiten von über 300 kbps mit einem ESP32-S3 durchgeführt, und die Ergebnisse waren vielversprechend.
Und warum hat Atari die Idee aufgegeben, den synchronen Modus für höhere Geschwindigkeiten zu nutzen? Dies ist wahrscheinlich auf einen Fehler in der POKEY-Struktur zurückzuführen – das empfangene Bit wird im Puffer verschoben, bedingt durch Störungen durch den PHI2-Takt. Dieses Problem wird derzeit untersucht, und der bekannte Programmierer @foft versucht, diesen POKEY-Fehler in PokeyMax zu beheben
Bei Erfolg werden Übertragungen von ~400 kbps möglich sein.
Es gibt einen weiteren Grund, warum der synchrone Modus nicht verwendet wurde: Der Schaltplan (z. B. CA2001) zeigt an, dass die CLK_IN/CLK_OUT-Signale vom Datenbus über den 74LS244 eingespeist werden, was bedeutet, dass jedes Bit und jeder Taktzyklus mit der BIT-BANG-Methode gesendet wird (muss von der CPU vorbereitet werden), was ein Engpass für den gesamten Übertragungsprozess sein könnte. Das sind nur meine Vermutungen, aber sie erscheinen plausibel. Wenn ihr Informationen habt, teilt sie bitte, da ich auch daran arbeite, den synchronen Modus zu nutzen...
Natürlich wird die CLK_IN/CLK_OUT-Überwachungsfunktion im ASCB sehr nützlich sein, insbesondere im Kontext des Tests neuer SIO-Geräte.
BR,
pancio, übersetzt von Pmetzen
Hallo zusammen,
CLK_IN/CLK_OUT-Signale finden sich auch in den CA2001/LDW2000-Laufwerken, die fast originalgetreue Klone des IndusGT sind, deren Verwendung ich aber nie erlebt habe. Das enttäuscht mich sehr, denn synchrone Übertragung eröffnet enorme Möglichkeiten. Und es geht nicht nur um Geschwindigkeit! Ein Beispiel ist, Daten zu laden, während gleichzeitig Musik auf POKEY abgespielt wird.
Theoretisch ist es möglich, Geschwindigkeiten viel höher als 125 kbps zu erreichen, weil wir nicht durch das AUDF4-Register eingeschränkt sind. Vor ein paar Wochen habe ich Tests im synchronen Modus mit Geschwindigkeiten von über 300 kbps mit einem ESP32-S3 durchgeführt, und die Ergebnisse waren vielversprechend.
Und warum hat Atari die Idee aufgegeben, den synchronen Modus für höhere Geschwindigkeiten zu nutzen? Dies ist wahrscheinlich auf einen Fehler in der POKEY-Struktur zurückzuführen – das empfangene Bit wird im Puffer verschoben, bedingt durch Störungen durch den PHI2-Takt. Dieses Problem wird derzeit untersucht, und der bekannte Programmierer @foft versucht, diesen POKEY-Fehler in PokeyMax zu beheben
Es gibt einen weiteren Grund, warum der synchrone Modus nicht verwendet wurde: Der Schaltplan (z. B. CA2001) zeigt an, dass die CLK_IN/CLK_OUT-Signale vom Datenbus über den 74LS244 eingespeist werden, was bedeutet, dass jedes Bit und jeder Taktzyklus mit der BIT-BANG-Methode gesendet wird (muss von der CPU vorbereitet werden), was ein Engpass für den gesamten Übertragungsprozess sein könnte. Das sind nur meine Vermutungen, aber sie erscheinen plausibel. Wenn ihr Informationen habt, teilt sie bitte, da ich auch daran arbeite, den synchronen Modus zu nutzen...
Natürlich wird die CLK_IN/CLK_OUT-Überwachungsfunktion im ASCB sehr nützlich sein, insbesondere im Kontext des Tests neuer SIO-Geräte.
BR,
pancio, übersetzt von Pmetzen
- DjayBee
- Beiträge: 1240
- Registriert: 17.08.2021 04:02
- Has thanked: 947 times
- Been thanked: 491 times
- Kontaktdaten:
Re: Projekt ASCB / ASCB-II
Wenn ihr euch mit dem synchronen Modus näher auseinandersetzen wollt, bietet sich die Vorarbeit von Mr.Atari an. Sijmen hat bis zu 440 kbit/s mit externem Takt hinbekommen, aber auch mit diversen Problemen.
https://forums.atariage.com/topic/31782 ... al-thread/
https://forums.atariage.com/topic/31782 ... al-thread/
-
Erhard
- Beiträge: 1309
- Registriert: 04.11.2021 15:52
- Has thanked: 156 times
- Been thanked: 419 times
- Kontaktdaten:
Projekt ASCB / ASCB-II
Gedanken zur HighSpeed-Erkennung im ASCB-II via Clock_OUT
Die Erkennung der SIO-Geschwindigkeit muß eigentlich mit jedem Command Frame neu durchgeführt werden, da jedes Kommando für ein anderes Gerät und demzufolge in einer anderen SIO-Geschwindigkeit (Bits/s) erfolgen kann.
Dazu gibt es bei bestimmten HighSpeed-SIOs nur sehr wenig Zeit, weil fast unmittelbar nach Einsetzten von Clock auch schon Daten folgen.
Wie von den Herstellern des SIO2USB Gerätes festgestellt ist das erste halbe Taktbit nicht verwendbar, da es verkrüppelt ist (die Breite des Bits paßt nicht zur Taktrate).
Ergo darf eine eventuelle Messung erst mit der Flanke beginnen, die der ersten Flanke von Clock_OUT nach Aktivwerden von CMD folgt (sprich mit der zweiten Flanke).
Die Erkennung der SIO-Geschwindigkeit muß eigentlich mit jedem Command Frame neu durchgeführt werden, da jedes Kommando für ein anderes Gerät und demzufolge in einer anderen SIO-Geschwindigkeit (Bits/s) erfolgen kann.
Dazu gibt es bei bestimmten HighSpeed-SIOs nur sehr wenig Zeit, weil fast unmittelbar nach Einsetzten von Clock auch schon Daten folgen.
Wie von den Herstellern des SIO2USB Gerätes festgestellt ist das erste halbe Taktbit nicht verwendbar, da es verkrüppelt ist (die Breite des Bits paßt nicht zur Taktrate).
Ergo darf eine eventuelle Messung erst mit der Flanke beginnen, die der ersten Flanke von Clock_OUT nach Aktivwerden von CMD folgt (sprich mit der zweiten Flanke).
Jede Info, die zu Hause auf meinem Rechner liegt habe ich unterwegs nicht verfügbar.
Jede Info, die im Netz liegt finde ich nicht wieder, wenn ich sie benötige.
Jede Info, die im Netz liegt finde ich nicht wieder, wenn ich sie benötige.
Re: Projekt ASCB / ASCB-II
bei mir wird ständig gemessen und das die Takte auch recht kurz sein können habe ich schon festgestellt.
Aber mit 240MHz schafft der ESP32 das ohne Probleme zu erkennen!
Läuft!
Aber mit 240MHz schafft der ESP32 das ohne Probleme zu erkennen!
Läuft!
keine PN's mehr! Bitte per email kontaktieren! atari1450xld©mega-hz.de
Re: Projekt ASCB / ASCB-II
So, ein kleiner Zwischenstand:
Einiges hat sich zwischenzeitlich auf Basecamp und nicht hier im Forum ergeben.
Da dieses Projekt aber allen ABBUClern zugeordnet/empfohlen ist,
1) Das ASCB-II ist im HW-Wettbewerb.
2) Das ASCB-II ist eine modernere Version des ASCB-I mit richtigen SIO Buchsen.
3) Das ASCB-II beinhaltete komplette de/aktivierung jedes SIO-Ports
sowohl als auch Puffereung jedes einzelnen SIO-Ports.
4) neben den 8 auf der Rückseite befindlichen SIO-Buchsen befindet es sich noch eine 9. in der Front des Gehäuses.
Für denn Fall "mal eben schnell was anklemmen".
Das ASCB-II hat als Option einen SIO-Monitor, welcher die grade anliegenden SIO-Befehle anzeigt.
Dieser ist vom ASCB-II getrennt erhältlich oder als Option mit dem ASCB-II zu bekommen.
Siehe hierzu den Threat "SIO-MONITOR"
Einiges hat sich zwischenzeitlich auf Basecamp und nicht hier im Forum ergeben.
Da dieses Projekt aber allen ABBUClern zugeordnet/empfohlen ist,
1) Das ASCB-II ist im HW-Wettbewerb.
2) Das ASCB-II ist eine modernere Version des ASCB-I mit richtigen SIO Buchsen.
3) Das ASCB-II beinhaltete komplette de/aktivierung jedes SIO-Ports
sowohl als auch Puffereung jedes einzelnen SIO-Ports.
4) neben den 8 auf der Rückseite befindlichen SIO-Buchsen befindet es sich noch eine 9. in der Front des Gehäuses.
Für denn Fall "mal eben schnell was anklemmen".
Das ASCB-II hat als Option einen SIO-Monitor, welcher die grade anliegenden SIO-Befehle anzeigt.
Dieser ist vom ASCB-II getrennt erhältlich oder als Option mit dem ASCB-II zu bekommen.
Siehe hierzu den Threat "SIO-MONITOR"
keine PN's mehr! Bitte per email kontaktieren! atari1450xld©mega-hz.de
Re: Projekt ASCB / ASCB-II
Ich bin nur nach langer Arbeit am SIO-Monitor soweit, die PCB vom ASCB-II zuende zu bringen.
Ich muss aber auch auf eines hinweisen:
Das ASCB-II wird es nur als Bausatz geben!
Da 9 SIO-Buchsen eingeplant sind, sind das schonmal grob 9x 4.50€
Ich kann und will mir das nicht zumuten, einen so großen Vorrat zu kaufen!.
Daher gibt es dann 2 Möglichkeiten:
1) (wäre für alle ideal) der Club kauft 100-200 SIO-Buchsen bei Sikor und bietet diese dann an die Interessenten an
2) Der Bausatz ist komplett ohne Bauteil-Support - bis auf die PCB mit evt. SMD Bestückung, das mach ich! -
Wer ein ASCB-II haben möchte und auch gleichzeitig den SIO-Monitor inside, bekommt eine fertige SIO-MONITOR Platine direkt zum einstecken von mir.
Aber die SIO-Buchsen "auslegen" kann ich wirklich nicht.
Wer hat überhaupt Interesse und würde das ASCB-II auch kaufen wollen?
Ich muss aber auch auf eines hinweisen:
Das ASCB-II wird es nur als Bausatz geben!
Da 9 SIO-Buchsen eingeplant sind, sind das schonmal grob 9x 4.50€
Ich kann und will mir das nicht zumuten, einen so großen Vorrat zu kaufen!.
Daher gibt es dann 2 Möglichkeiten:
1) (wäre für alle ideal) der Club kauft 100-200 SIO-Buchsen bei Sikor und bietet diese dann an die Interessenten an
2) Der Bausatz ist komplett ohne Bauteil-Support - bis auf die PCB mit evt. SMD Bestückung, das mach ich! -
Wer ein ASCB-II haben möchte und auch gleichzeitig den SIO-Monitor inside, bekommt eine fertige SIO-MONITOR Platine direkt zum einstecken von mir.
Aber die SIO-Buchsen "auslegen" kann ich wirklich nicht.
Wer hat überhaupt Interesse und würde das ASCB-II auch kaufen wollen?
keine PN's mehr! Bitte per email kontaktieren! atari1450xld©mega-hz.de
- Mathy
- Beiträge: 1999
- Registriert: 18.06.2021 11:13
- Wohnort: Heerlen, NL
- Has thanked: 993 times
- Been thanked: 609 times
- Kontaktdaten:
Re: Projekt ASCB / ASCB-II
.
Hallo Wolfram
Tschüß
Mathy
Hallo Wolfram
Ich.
Tschüß
Mathy
Schreibe nicht der Absicht zu, was man mit Dummheit oder Ignoranz erklären kann.
- LarryL
- Beiträge: 132
- Registriert: 17.08.2021 06:53
- Wohnort: Bad Eilsen, Germany
- Has thanked: 35 times
- Been thanked: 17 times
- Kontaktdaten:
Re: Projekt ASCB / ASCB-II
Ich auch
„Wir sind im Auftrag des Herrn unterwegs!“ („Joliet“ Jake & Elwood Blues)
-
Erhard
- Beiträge: 1309
- Registriert: 04.11.2021 15:52
- Has thanked: 156 times
- Been thanked: 419 times
- Kontaktdaten:
Projekt ASCB / ASCB-II
Ich würde auch ein ASCB mit SIO-Monitor haben wollen.
Jede Info, die zu Hause auf meinem Rechner liegt habe ich unterwegs nicht verfügbar.
Jede Info, die im Netz liegt finde ich nicht wieder, wenn ich sie benötige.
Jede Info, die im Netz liegt finde ich nicht wieder, wenn ich sie benötige.
Wer ist online?
Mitglieder in diesem Forum: 0 Mitglieder und 1 Gast