2026-01-03: Anmerkungen zur Pufferbatterie erweitert
Ich versuche mal hier die Infos aus dem Thema "Atari XE pcb remake - Erfahrungsaustauch" zusammenzufassen.
Hier eine nochmals überarbeitete BOM:
Allgemeines: Die Angaben zu Kapazitäten / Induktivitäten auf der Platine / im Bestückungsplan entsprechen nicht dem Standard:
alle Kondensatoren 1N -> 1n (1 nF)
alle Kondensatoren 10N -> 10n (10 nF)
alle Kondensatoren 100N -> 100n (100 nF)
alle Kondensatoren 22P -> 22p (22 pF)
Das gleiche gillt für die Induktivitäten (auch Klein- statt Grossbuchstaben):
z.B. 100 UH -> 100 uH
Im UAV-Bereich:
2M2 -> 2µ2 (2.2 µF)
10M -> 10µ (10 µF)
47MH -> 47 µH
Hier können keine Beiräge gepostet werden; diese bitte in dem eigentlichen Thema posten.
Ergänzungen / Bezugsquellen gerne per PN an mich; ich pflege sie dann ein.
Video-Mod für den normalen Monitor-Ausgang
Erhard hat geprüft ob Panos "Super Video for the 130 XE by Charles Cole, Atari Classics Hardware Editor" implementiert wurde und hat dazu Leiterbahnen usw verfolgt.
All die Anpassungen auf die Norm von 75 Ohm Impedanz bei Video scheinen zu fehlen.
Die Widerstände 150R, 180R, 47R und 100R müssen gemäß der Anleitung 75 Ohm sein. Der 51R Widerstand wird in der Anleitung mit 10R gebrückt, was in 8.2 Ohm resultiert.
Der 10uF Elko wird in der Anleitung durch 100 oder 220 uF ersetzt.
Der Schalter unten rechts:
Kann mit einem DIP-Schalter oder einem Drehschalter bestückt werden.
Praktischer ist der Drehschalter - er ist, wenn der Rechner zusammengebaut ist, von unten erreichbar.
0) Die Verwendung des Drehschalters erfordert unter Umständen eine Bohrung in der Unterseite des Atari-Gehäuses. Wer dies nicht möchte sollte den Drehschalter nicht verwenden.
1) Bodenblech vor der Schaltermontage an der Unterseite der Platine befestigen und durch das Loch auf der Platine die Bohrung für das Bodenblech markieren
2) Bodenblech von der Platine abnehmen
3) Das Bodenblech an der markierten Stelle mit einem genügend großen Loch versehen (Vorsicht: Bleche lassen sich üblicherweise bescheiden bohren) und das Loch entgraten
4) Die Isolierpappe (soweit vorhanden) in das Bodenblech legen und für die Pappe ein Loch markieren
5) Das Loch in der Pappe sollte etwas größer werden als das Loch im Bodenblech, da die Pappe im Bodenblech etwas Spiel hat und somit ein wenig hin und her rutschen kann
6) Die Platine ins Gehäuseunterteil des Atari legen und für ein eventuell auch hier zu fertigendes Loch dieses durch das Loch in der Platine markieren
7) Danach kann der Drehschalter auf die Platinenunterseite gelötet werden. Wie rum der drauf muß ist auf der Platinenunterseite markiert
NTSC/PAL:
Bei NTSC-Geräten können die Bauteile im getrichelten Bereich entfallen:
NUR(!) bei NTSC-Geräten ist eine Brücke einzusetzen:
An der Monitorbuchse kann wahlweise der normale Videoausgang oder der UAV Ausgang oder ein VBXE aufgeschaltet werden.
Dazu ist das Feld "VIDEO SETUP" entsprechend zu jumpern:
Normales F-BAS / S-Video:
Pin 9-5, 10-6, 11-7
C0..C9 bleiben unbeschaltet
F-BAS / S-Video von UAV:
Pin 1-5, 2-6, 3-7
C0..C9 bleiben unbeschaltet
Bei Verwendung als F-Bas / S-Video-Buchse mit Stereo ist folgende Belegung empfehlenswert:
VBXE:
Pin 4-5, 7-8
Pinbelegung des Wannensteckers:
Frage: Hat sich hier schon eine Belegung etabliert?
C0 -> Monitorbuchse Kontakt Nr.
C1 -> Monitorbuchse Kontakt Nr.
C2 -> Monitorbuchse Kontakt Nr.
C3 -> Monitorbuchse Kontakt Nr.
C4 -> Monitorbuchse Kontakt Nr.
C5 -> Monitorbuchse Kontakt Nr.
C6 -> Monitorbuchse Kontakt Nr.
C7 -> Monitorbuchse Kontakt Nr.
C8 -> Monitorbuchse Kontakt Nr.
C9 -> Monitorbuchse Kontakt Nr.
Auf der Lötseite ist die Brücke "SJ1" zu setzen, damit die 5V an das Jumperfeld Pin 4 auf der BS gelegt werden.
Ist ein VBXE angeschlossen, dürfte kein normaler F-BAS / S-Video-Monitor mehr an der Buchse funktionieren!
Da die Monitorbuchse mehr Kontakte hat als die standardmäßig vorgesehene 5-polige Buchse, kann über den Anschluß des VBXE, wenn kein VBXE eingebaut ist, über einen der freien Kontakte z.B. der Stereo-Ton einer Stereo-Erweiterung ausgegeben werden. ACHTUNG: Das hierfür anzufertigende Monitorkabel ist nicht an einem normalen XL/XE verwendbar!
Der UAV-Bereich:
Kann optional bestückt werden.
Das Poti in dem UAV Teil hat unter PAL wenig Einfluss. Vermutlich kann damit unter NTSC das Artifacting beeinflusst werden.
Für den Einbau eines VBXE ist der Wannenstecker "VIDEO SETUP" zu bestücken.
Auf der Lötseite
PS/2-Adapter TKII:
Kann optional bestück werden.
Der PIC wird mit dem File von myteck programmiert.
Dazu kann der joy2pic-Adapter von myteck genutzt werden.
Sophia DVI connector:
Ist keine Sophia 2 - Erweiterung geplant, kann die DVI-Buchse sowie der darunterliegende "Connector" entfallen.
ECI/Modulport:
Wenn die Buchsen nicht plan auf der Platine aufliegen, den Korpus so ausrichten daß er an der Platinenkante aufliegt:
Um den SIO-Highspeed-Modus (SIO-Divisor 0) nutzen zu können, die Kondensatoren an SIO Data in/out weglassen:
Für die DIN-Power-Buchse ist im Layout alternativ eine NV-Hohlbuchse vorgesehen. Um das versehentliche Anschließen eines gängigen 12 V - Netzteiles oder eines Wechselspannungstrafos (z.B. 1050-Trafo) und den damit verbundenen Tod der Platine zu vermeiden, würde ich den Einsatz einer Hohlbuchse vermeiden.
Ultimate 1MB
Eine U1MB ersetzt die MMU, das OS und das BASIC.
Noch prüfen ob die Pinbelegung des ROM-Sockels kompatibel zum original-ROM bzw. Stecker der U1MB ist.
OS-ROM
Noch prüfen: Layout kompatibel zu Eprom und/oder original?
Das OS kann auf ein Eprom 27C128 gebrannt werden.
Wird eine U1MB eingesetzt, wird das OS nicht benötigt.
MMU
Anstelle der MMU kann alternativ ein programmiertes GAL 16V8 eingesetzt werden.
Wird eine U1MB eingesetzt, wird die MMU nicht benötigt.
BASIC-ROM
(noch nicht überprüft!)
Aktuell sieht es so aus als wenn das Layout anstelle des BASIC-ROMs ein Eprom vorsieht.
Das originale BASIC-Prom dürfte nicht passen.
Da Pin 26 A(13) anscheiend auf Vcc liegt, müßte bei einem 128er-Eprom das BASIC in die Adresse $2000-$3FFF gebrannt werden.
Bei einem 64er-Eprom ist Pin 26 NC, d.h. da gehört das BASIC in $0000-$1FFF.
Wird eine U1MB eingesetzt, wird das BASIC nicht benötigt.
Für den Einsatz des originalen BASIC-ROMs müßten der folgenden Tabelle folgend einige Änderungen in der Leiterbahnführung vorgenommen werden:
Basic auf EPROM (2764) nur mit den folgenden Änderungen: Es wird die Brücke zwischen PIN 1 und 2 getrennt und dann von U11 Pin4 das Signal A12 auf PIN 2 des Basic EPROM geführt.
Der Freddie kann durch eine Freddie-Modul ersetzt werden; nur in Verbindung mit einem 64 kB S-Ram-Modul.
Auf i-bäh wird ein Ersatz ohne RAM angeboten: Atari FREDDIE CO61991-29 (C061991-29)
64 k RAM
Anstelle der zwei RAM-Bausteine kann ein unter der Sally zu platzierenes "SRAM 64Kb"-Modul von lotharek eingebaut werden.
Das Basis-RAM muß auf jeden Fall bestückt werden; entweder in Form von U09/U10 oder mit dem 64 k S-Ram-Modul. Die "512 k SRAM extension" von Hias bzw. die Speichererweiterung in der Ultimate 1MB dienen nur als Zusatzram und ersetzen nicht(!) die 64 k Basis-Ram!
Die 512k - Erweiterung:
Kann optional bestückt werden.
Die Batteriepufferung ist optional.
Das GAL wird mit dem JEDEC-File "GAL JEDEC file" von HIAS programmiert.
Wird die SRam-Erweiterung nicht bestückt, ist Pin 9 von U34 mit 15 von U34 sowie Pin 14 von U34 mit 16 von U34 zu verbinden.
Die DIP-Schalter / Drehschalter für die Konfiguration des Z-Rams am besten von der Lötseite bestücken. Dann können sie betätigt werden ohne den Rechner zu öffnen. Ggf. im Boden des Rechners eine passende Öffnung anfertigen.
Wenn keine Puffer-Batterie verbaut wird
U12 nicht bestücken, anstatt dessen eine Brücke von P5 nach Pin6 einsetzen.
Der verwendete Batteriecontroller MXD1210 testet bei jedem Einschalten die Batteriespannung.
Ist die Batteriespannung unter dem Sollwert (oder fehlt diese), unterbindet der Controller den zweiten Zugriffszyklus.
(Ein Lesebefehl führt ins Leere und liest Zufallsdaten, ein Schreibzugriff kommt nicht an.)
Im Fall des Atari bedeutet dies u.U. nicht erkannten erweiterten Speicher oder gar Datenverlußt.
Testprogramm XEBATTCK.COM verfügbar.
Festgestellt von Floppydoc
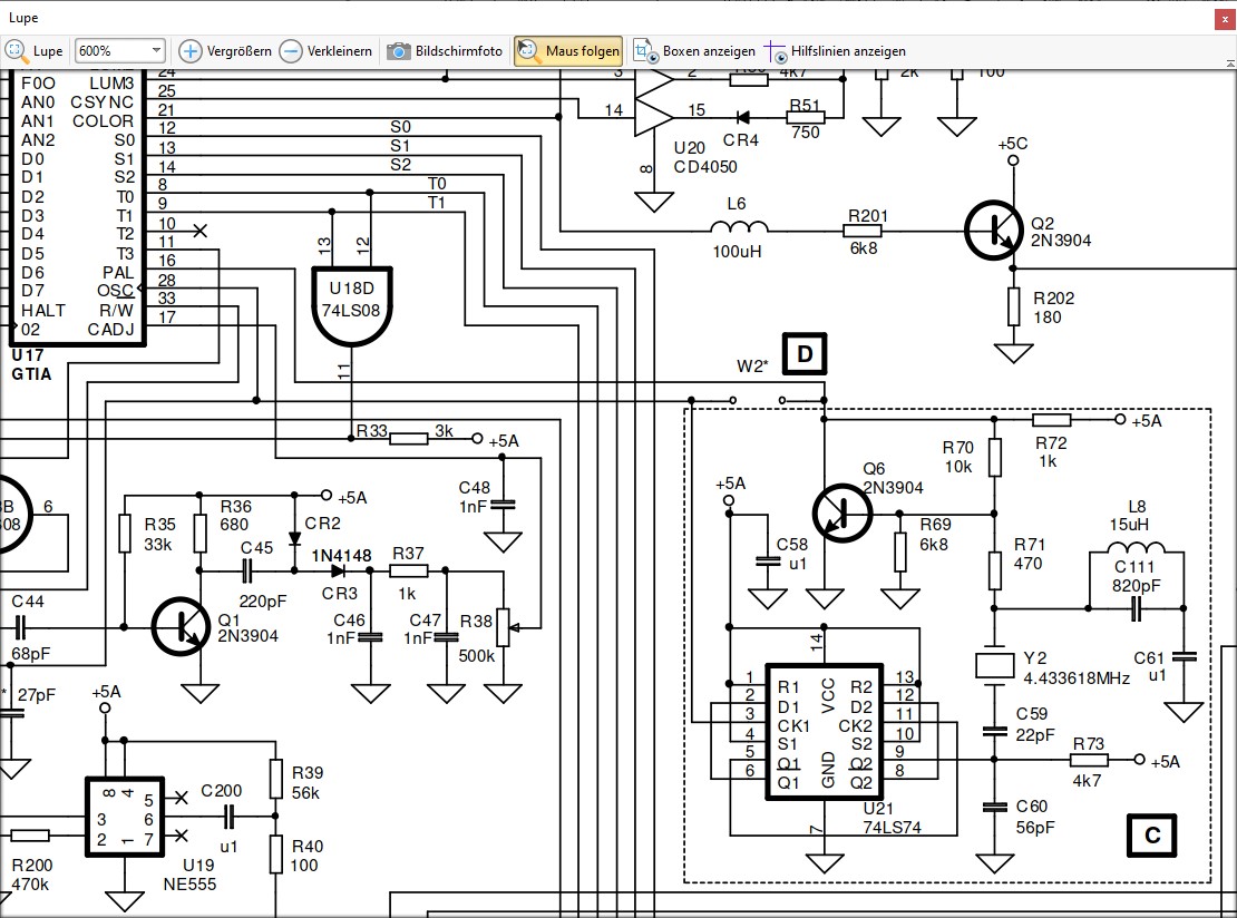
Schaltplan
Santos schreibt im Forumbeitrag auf Atariage, dasa er sich bei seiner Platine möglichst nahe an der 130 XE Vorgabe orientiert hat. Da er ja nur 64 MB mit 2 Rambausteinen ohne die MMMU des 130er nutzt, also Quasi ein 65 XE.
Ich denke am nähsten kommt dieses Schaltbild:
Download: klick
Ergänzung 15.09.2025:
Z-RAM wird nicht immer erkannt
Das Bus-Timing hat sich irgendwie verändert.
Folgender "Stabilizing-Mod" sollte pauschal eingebaut werden:
Brücke U18 Pin2 - Pin 4 (z.B. Lackdraht PCB Unterseite)
Diese Änderung bewirkt, daß die fallende Flanke von Phi2 vorverlegt wird.
Ohne diese Änderung ist der Adressbus zum Zeitpunkt der fallenden Flanke von Phi2 teilweise nicht mehr gültig.
Festgestellt wurde dies, da das USB-Cartrdige mit dem XE-Remake ohne diesen Mod nicht funktioniert.
Da hier das Schreiben / Lesen von Daten im Bereich $D5xx fehlerhaft verläuft dürfte dies auch OSS-Module betreffen.
Fehler festgestellt von Floppydoc
Fehler behoben durch Hias
(Siehe auch hier)
130XE-remake - Sammelbeitrag
Moderatoren: Sleeπ, andymanone
- Sleeπ
- Beiträge: 2258
- Registriert: 18.06.2021 20:58
- Has thanked: 330 times
- Been thanked: 605 times
- Kontaktdaten:
Re: 130XE-remake - Sammelbeitrag
Schwerer zu findende Teile:
Power-Schalter: RND rnd-210-00507 bei Reichelt oder distrelec, von C&K heißt er 7101J1AV2QE2: TME , digikey
Power Buchse: Restore-store
Joystick-Buchse: Restore-Store
Ferritperlen können auch alternativ BEAD 8-21 von reichelt eingesetzt werden.
Ersatz für MMU/OS-ROM: Ultimate 1MB
POKEY (FPGA) gibt es bei Retronics
Freddie (Clone) gibt es bei lotharek
Basis-RAM (64k) gibt es bei lotharek
Keyboard-Connector gib es zeitweise bei Conrad
Aternativ ist auch die 90°-Version Connfly Buchsengehäuse-Platine Polzahl Gesamt 24 Rastermaß: 2.54mm DS1020-24RT1D verwendbar; einfach die Kontakte zurückbiegen.
Conrad voelkner
AA User Overange hat eine Alternative mit 26 Pins gefunden, die sich anpassen lässt: klick
GTIA kann/wird durch Sophia 2 ersetzt werden
Modulport (2x15) / ECI-Buchsen (2x6) gibt es bei ALI-Express
Für das BASIC ist ein EPROM 27C64 oder 27C128 geeignet (evt. auch 27C256; noch checken ob ohne Änderungen einsetzbar)
Für das OS ist ein Eprom 27C128 (oder 256; noch checken). Mit einigen Änderungen ist auch ein 27C512 verwendbar.
Eventuell lohnt auch ein Blick in den ABBUC-Shop.
Power-Schalter: RND rnd-210-00507 bei Reichelt oder distrelec, von C&K heißt er 7101J1AV2QE2: TME , digikey
Power Buchse: Restore-store
Joystick-Buchse: Restore-Store
Ferritperlen können auch alternativ BEAD 8-21 von reichelt eingesetzt werden.
Ersatz für MMU/OS-ROM: Ultimate 1MB
POKEY (FPGA) gibt es bei Retronics
Freddie (Clone) gibt es bei lotharek
Basis-RAM (64k) gibt es bei lotharek
Keyboard-Connector gib es zeitweise bei Conrad
Aternativ ist auch die 90°-Version Connfly Buchsengehäuse-Platine Polzahl Gesamt 24 Rastermaß: 2.54mm DS1020-24RT1D verwendbar; einfach die Kontakte zurückbiegen.
Conrad voelkner
AA User Overange hat eine Alternative mit 26 Pins gefunden, die sich anpassen lässt: klick
GTIA kann/wird durch Sophia 2 ersetzt werden
Modulport (2x15) / ECI-Buchsen (2x6) gibt es bei ALI-Express
Für das BASIC ist ein EPROM 27C64 oder 27C128 geeignet (evt. auch 27C256; noch checken ob ohne Änderungen einsetzbar)
Für das OS ist ein Eprom 27C128 (oder 256; noch checken). Mit einigen Änderungen ist auch ein 27C512 verwendbar.
Eventuell lohnt auch ein Blick in den ABBUC-Shop.
Sleeπ
Wer ist online?
Mitglieder in diesem Forum: 0 Mitglieder und 1 Gast