Hi Erhard,
I'll explain some things. MC was developed as easy device as possible. My plan was to do device only for XE models based on CART/ECI. Actually, ECI shouldn't be necessary but MC have receiver for MIDI and I planned use /INT signal as trigger to get data from filled receive buffer. That's why I decided to add ECI to the device. As you know, on the ECI slot we have /D1 signal... so I thought: many people have SDX or other cartridge which occupied /D5 at all (or partially - which is very rare). I decided to add /D1 as alternative for /D5 to be ready for work under SDX. That's all. I know, It's not with rules and the Atari memory map but in case you have no additional devices compatible with PBI NEV_DEV technology this conception is acceptable.
Of course you don't need to use /D1 at all but MC will be not usable with many existing cartridges...
According to PBI protocol. I would like to be ready to make devices under common, agreed rules but I'm afraid my knowledge is not full in this topic...
Please, explain me how exactly the PBI ND procedure works... I though, that if ND want to be found and used, set special bit to inform Atari OS and say "Hello, I'm here". Is it true? Then, OS connecting ROM from this device to the area $D800-$DFFF and run device procedure.
What is the trigger... ND or Atari? What happened if Atari boot OS and doesn't find ND? May addresses from /D1XX be used for any other registers?
Continuing your questions...
1. Yes, MC is always shown in chosen by BASE/ADDRESS window.
2. I'm willing to hear any good advice, especially I'm not an expert.
3. That's clue to best solution. I want to do it with best rules. It's good opportunity to do it for XL (and 1090) series

4. I want to know more and more about BlackBox because it's very good example how to build interesting, complex and modern device.
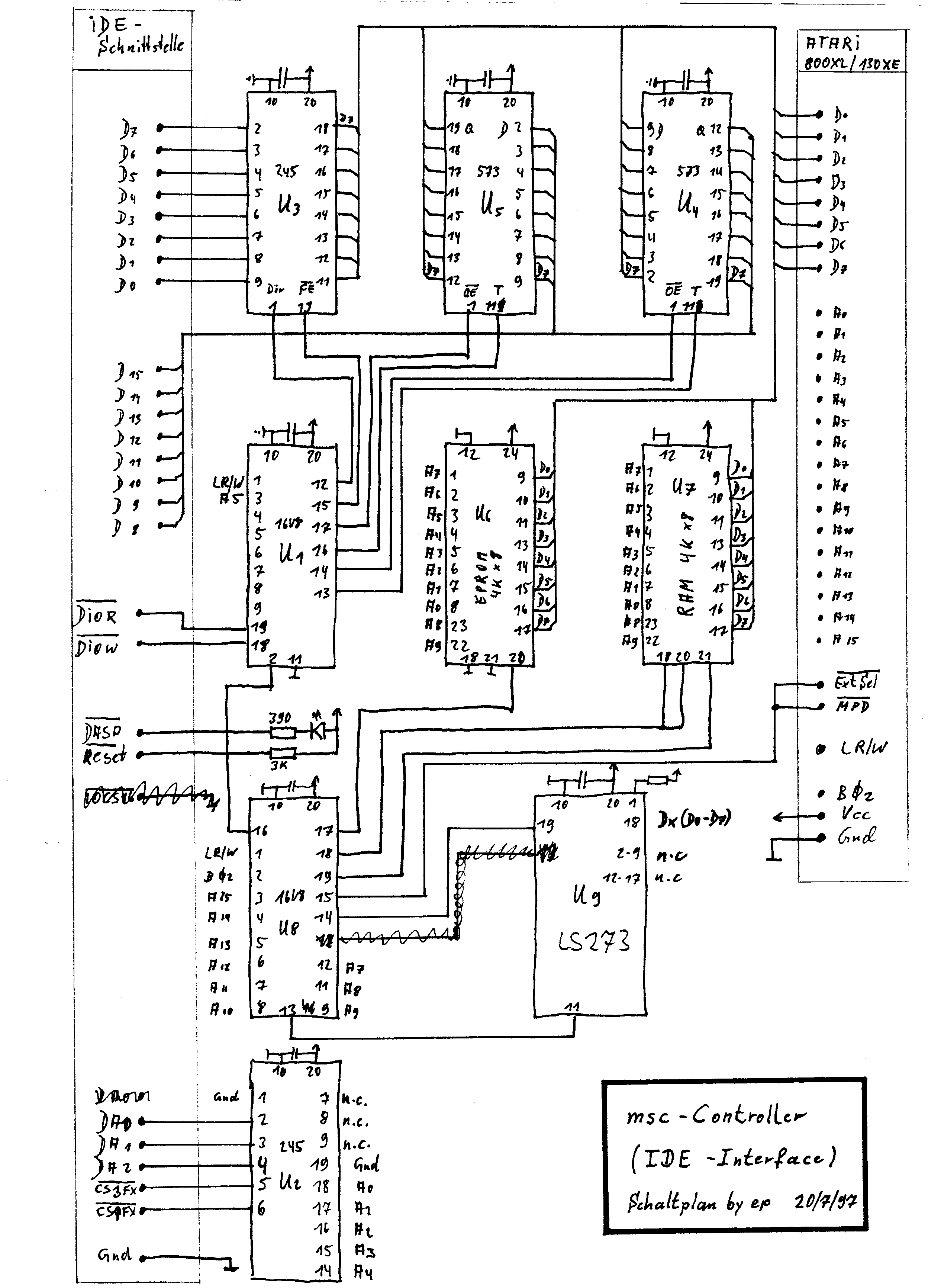
5. What exactly you mean about 'msc IDE"? I don't recognize 'msc'

6. Okay, U1M is some kind of existing standard but as I know not all was implemented with Atari rules

I use only two functionality: SDX and RAM extension. Acctualy I don't need it - I like SRAM extension based on HIas project (I've it in my many Atari computer). So I prefer SDX on cartridge with Hias's SRAM mod but in mentioned case with MC it's doesn't work properly. I hope We will solve this soon.
7. Not yet, according to voltage measure. Will do shortly. Yes, I use many addresses combinations without success (I'll repeat test when I make bypass for power).
I hope it's helpfully to better view on MIDIcar
Regards,
Blazej