Fujinet - kurze Frage, Kurze Antwort
Moderatoren: Sleeπ, andymanone
-
- Beiträge: 41
- Registriert: 21.08.2021 11:53
- Has thanked: 21 times
Fujinet - kurze Frage, Kurze Antwort
Muss die Micro SD Karte in einem bestimmten Format
formatiert werden ? Wenn Ja, welchem?
Stefan
formatiert werden ? Wenn Ja, welchem?
Stefan
-
- Beiträge: 41
- Registriert: 21.08.2021 11:53
- Has thanked: 21 times
-
- Beiträge: 458
- Registriert: 17.08.2021 17:22
- Has thanked: 109 times
- Been thanked: 161 times
- Kontaktdaten:
Re: Fujinet - kurze Frage, Kurze Antwort
Überraschung
Ein Versuch war es mir allemal Wert....
Eine 200GByte SD Karte formatiert in FAT32, nicht in extFAT
, benutze ich mit sehr vielen Filmen in einer AVGCart.
Die Karte läuft auch im FujiNet Adapter, im SIO2SD und im SDrive Max. ATR und XEX-Files lassen sich laden.
Die Karte ist 2/3 befüllt, die ATR und XEX liegen im letzten Bereich.
Windows formatiert SD-Karten über 32GByte nur in extFAT. Formatiert habe ich die Karte auf einem MAC in FAT32 Format.
Bye,
Bernd

Ein Versuch war es mir allemal Wert....

Eine 200GByte SD Karte formatiert in FAT32, nicht in extFAT

Die Karte läuft auch im FujiNet Adapter, im SIO2SD und im SDrive Max. ATR und XEX-Files lassen sich laden.
Die Karte ist 2/3 befüllt, die ATR und XEX liegen im letzten Bereich.
Windows formatiert SD-Karten über 32GByte nur in extFAT. Formatiert habe ich die Karte auf einem MAC in FAT32 Format.
Bye,
Bernd
-
- Beiträge: 41
- Registriert: 21.08.2021 11:53
- Has thanked: 21 times
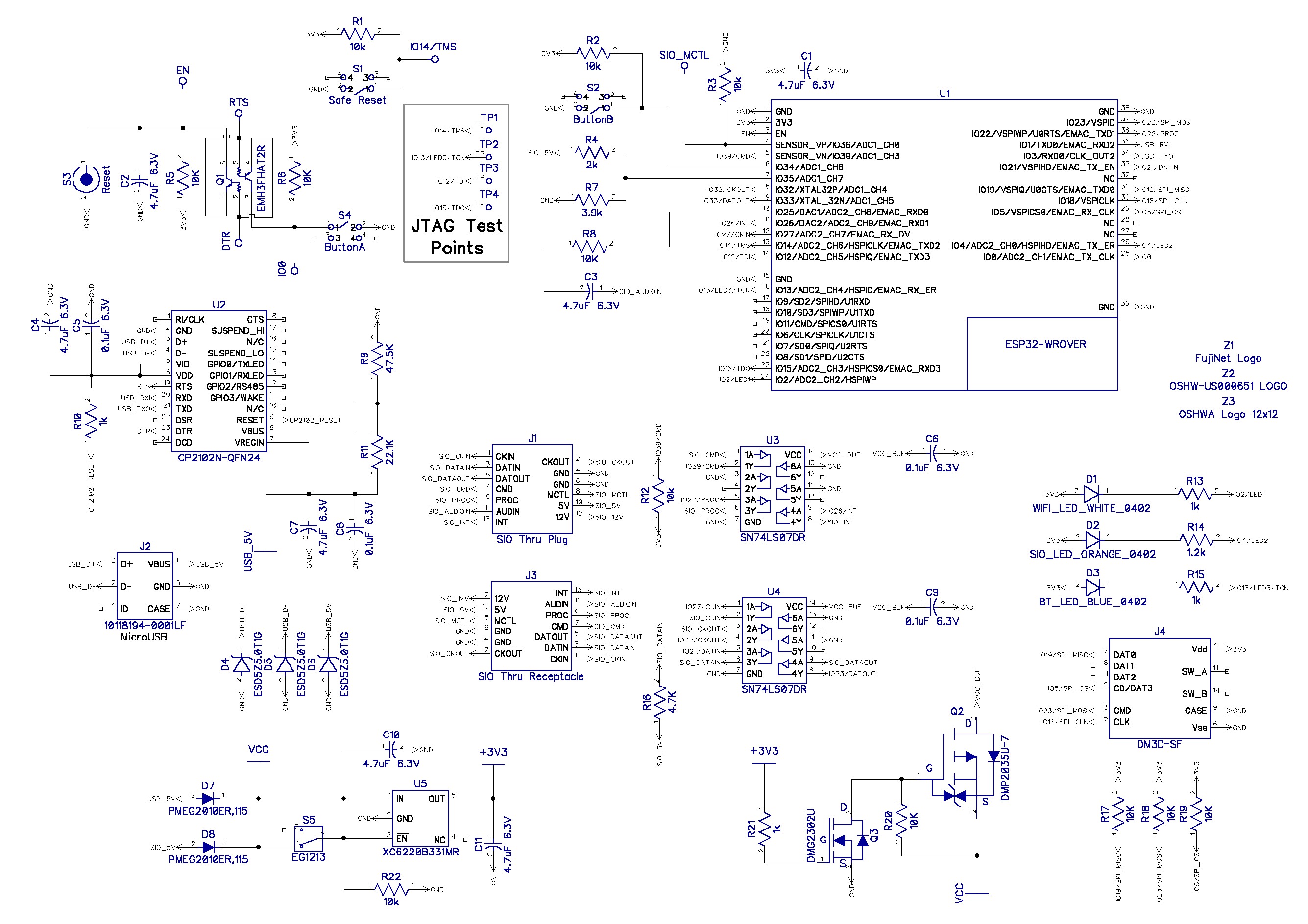
Schaltplan
Kann man aus den Gerber Dateien https://github.com/FujiNetWIFI/fujinet- ... OV-1.5-Q24
einen vollständigen Schaltplan extrahieren?
Ich habe für mich und zwei Freunde mehrere Fujinet aufgebaut.
(Ich hatte 5 Platinen und gehofft, dass 3 Stück überleben)
Die erste Platine, die ich zu Übungszwecken seperat aufgebaut habe, funktioniert anscheinend.
Die 4 weiteren habe ich "zeitsparend" gefertigt.
(Erst R1 auf allen Boards, dann R2 auf allen Boards...)
So, dass ich mir den Weg nicht durch Bauteile verdecke/verbaue.
KEINE der 4 Platinen funktioniert. Es hat etwas mit der Spannungsversorgung/ Aufbereitung der 3.3 Volt zu tun.
Der Verdacht liegt nahe, dass ich einen "Serienfehler" eingebaut habe.
Der Schaltplan, der auf Git Hub zur Verfügung gestellt wird
https://github.com/FujiNetWIFI/fujinet- ... ematic.jpg reicht völlig aus um zu verstehen, wir um z.b. eine Diode eingelötet werden muss. Zum Fehler finden taugt er allerdings überhaupt nicht
Daher würde ich mich über einen vollständigen Schaltplan freuen, habe aber nicht die Möglichkeit oder das Wissen, aus den Gerber Files einen solchen Schaltplan zu ziehen.
Wer kann helfen?
Stefan
einen vollständigen Schaltplan extrahieren?
Ich habe für mich und zwei Freunde mehrere Fujinet aufgebaut.
(Ich hatte 5 Platinen und gehofft, dass 3 Stück überleben)
Die erste Platine, die ich zu Übungszwecken seperat aufgebaut habe, funktioniert anscheinend.
Die 4 weiteren habe ich "zeitsparend" gefertigt.
(Erst R1 auf allen Boards, dann R2 auf allen Boards...)
So, dass ich mir den Weg nicht durch Bauteile verdecke/verbaue.
KEINE der 4 Platinen funktioniert. Es hat etwas mit der Spannungsversorgung/ Aufbereitung der 3.3 Volt zu tun.
Der Verdacht liegt nahe, dass ich einen "Serienfehler" eingebaut habe.
Der Schaltplan, der auf Git Hub zur Verfügung gestellt wird
https://github.com/FujiNetWIFI/fujinet- ... ematic.jpg reicht völlig aus um zu verstehen, wir um z.b. eine Diode eingelötet werden muss. Zum Fehler finden taugt er allerdings überhaupt nicht
Daher würde ich mich über einen vollständigen Schaltplan freuen, habe aber nicht die Möglichkeit oder das Wissen, aus den Gerber Files einen solchen Schaltplan zu ziehen.
Wer kann helfen?

Stefan
-
- Beiträge: 757
- Registriert: 17.08.2021 21:16
- Wohnort: Reutlingen
- Has thanked: 904 times
- Been thanked: 270 times
- Kontaktdaten:
Re: Fujinet - kurze Frage, Kurze Antwort
Mit nem Schaltplan wäre es mit Sicherheit einfacher, aber hast du schon mal eine der defekten mit der funktionierenden Bauteilemässig verglichen?
Gruß
Wolfgang
Gruß
Wolfgang
-
- Beiträge: 41
- Registriert: 21.08.2021 11:53
- Has thanked: 21 times
Re: Fujinet - kurze Frage, Kurze Antwort
Hallo Wolfgang,
ja - alles verglichen, alles gleich. Aber: Fehler gefunden.
Der CP210 Chip war bei KEINEM fehlerfrei verlötet.
Da muss ich nen echten ScheiX Tag gehabt haben...
Trotzdem wäre ein Schaltplan toll.
Stefan
ja - alles verglichen, alles gleich. Aber: Fehler gefunden.
Der CP210 Chip war bei KEINEM fehlerfrei verlötet.
Da muss ich nen echten ScheiX Tag gehabt haben...
Trotzdem wäre ein Schaltplan toll.
Stefan
- u0679
- Beiträge: 188
- Registriert: 18.06.2021 21:52
- Has thanked: 221 times
- Been thanked: 65 times
- Kontaktdaten:
Re: Fujinet - kurze Frage, Kurze Antwort
Im Abbuc Magazin steht ja, dass es noch dauert, bis das Fujinet im Shop erhältlich ist. Ist denn schon ein ungefährer Termin absehbar? Ich möchte auf jeden Fall auch eins 

Regionalgruppe Nord (Elmshorn)
-
- Beiträge: 41
- Registriert: 21.08.2021 11:53
- Has thanked: 21 times
Kopieren Fujinet -> echte Disk
Mit welchem Kopierprogramm kann ich von
Fujinet image.atr auf reales Disk-Laufwerk kopieren?
Hintergrund ist der digitale Download von Star Vagrant.
Hab Anleitung, Verpackung und Sternenkarte fertig.
Fehlt noch die echte Diskette mit Aufkleber.
Stefan
Fujinet image.atr auf reales Disk-Laufwerk kopieren?
Hintergrund ist der digitale Download von Star Vagrant.
Hab Anleitung, Verpackung und Sternenkarte fertig.
Fehlt noch die echte Diskette mit Aufkleber.
Stefan
- skr
- Beiträge: 305
- Registriert: 07.06.2021 00:25
- Wohnort: Seeshaupt, Germany
- Has thanked: 175 times
- Been thanked: 166 times
- Kontaktdaten:
Re: Fujinet - kurze Frage, Kurze Antwort
Es ist da! Allerdings haben wir, um Versandkosten zu sparen, die Pins separat (also im gleichen Paket, aber eben nicht angelötet sondern in Tüten) geliefert bekommen (und Schrauben muss ich auch noch besorgen), das heißt, ich muss die Pins und Buchsen für SIO noch löten, da komme ich frühestens am Wochenende zu.
Wer das selber machen will, der kann auch sofort beliefert werden. Es ist ja auch denkbar, dass sich jemand Fujinet direkt in den Atari bauen will, dann braucht man nicht mal das Gehäuse.
Am Wochenende schreibe ich da noch etwas zu, im Moment habe ich etwas Zeitnot.
/|\ ...*** loading *** .... /|\
- dl7ukk
- Beiträge: 650
- Registriert: 25.08.2021 23:03
- Has thanked: 123 times
- Been thanked: 168 times
- Kontaktdaten:
Re: Fujinet - kurze Frage, Kurze Antwort
Hi skr,
kannst du 2x zum Selberlöten zur Fujiama mitbringen?
kannst du 2x zum Selberlöten zur Fujiama mitbringen?
-
- Beiträge: 23
- Registriert: 17.08.2021 07:02
- Has thanked: 2 times
- Been thanked: 3 times
- Kontaktdaten:
- u0679
- Beiträge: 188
- Registriert: 18.06.2021 21:52
- Has thanked: 221 times
- Been thanked: 65 times
- Kontaktdaten:
Re: Fujinet - kurze Frage, Kurze Antwort
Am besten schreibst Du Yellowman an, der kümmert sich um den Shop.
Regionalgruppe Nord (Elmshorn)
- forumadmin
- Site Admin
- Beiträge: 61
- Registriert: 10.05.2021 19:10
- Wohnort: Hamburg, Germany
- Has thanked: 4 times
- Been thanked: 9 times
- Kontaktdaten:
Re: Fujinet - kurze Frage, Kurze Antwort
Ist notiert, wird eingepackt.
Ich überlege ernsthaft, auch den 3D-Drucker mitzubringen, dann können wir auf der Fuji auch "personalisierte" Gehäuse machen.
- Mathy
- Beiträge: 1853
- Registriert: 18.06.2021 11:13
- Wohnort: Heerlen, NL
- Has thanked: 917 times
- Been thanked: 532 times
- Kontaktdaten:
Re: Fujinet - kurze Frage, Kurze Antwort
.
Hallo Sascha
Du kommst also nicht mit dem Zug. Der Peugeot ist weg. Hmmm.... Großer Volvo gekauft?
Tschüß
Mathy
Hallo Sascha
Vielleicht solltest Du solche Sachen unter deinem eigenen Account schreiben...forumadmin hat geschrieben: ↑03.09.2021 10:55Ich überlege ernsthaft, auch den 3D-Drucker mitzubringen, dann können wir auf der Fuji auch "personalisierte" Gehäuse machen.

Du kommst also nicht mit dem Zug. Der Peugeot ist weg. Hmmm.... Großer Volvo gekauft?


Tschüß
Mathy
Schreibe nicht der Absicht zu, was man mit Dummheit oder Ignoranz erklären kann.
- skr
- Beiträge: 305
- Registriert: 07.06.2021 00:25
- Wohnort: Seeshaupt, Germany
- Has thanked: 175 times
- Been thanked: 166 times
- Kontaktdaten:
Re: Fujinet - kurze Frage, Kurze Antwort
Ja, ist mir dann auch aufgefallen, passiert, wenn man nur mal eben schnell was schreiben will und eigentlich gar keine Zeit hat.

Könnte mal meinen Kollegen fragen, der sich gerade einen V70 gekauft hat, ob er mir den für die Fuji leiht. Dann brauche ich keinen Mietwagen.Volvo V70 hat geschrieben:Du kommst also nicht mit dem Zug. Der Peugeot ist weg. Hmmm.... Großer Volvo gekauft?![]()
![]()

/|\ ...*** loading *** .... /|\
- atarixle
- Beiträge: 412
- Registriert: 18.06.2021 21:19
- Has thanked: 44 times
- Been thanked: 81 times
- Kontaktdaten:
Re: Fujinet - kurze Frage, Kurze Antwort
Kurze Frage: ist das normal, dass das Fujinet komplett einfriert, sobald ich "N:" benutzen will? Auf der Fujiama funktionierte alles, aber in meinem Heimnetz geht außer Disketten aus dem Internet zu laden gar nichts (also er lädt Disketten aus dem Internet, aber sobald die Programme auf diesen Disketten auf "N:" zugreifen, ist das Fujinet einfach weg).
- dl7ukk
- Beiträge: 650
- Registriert: 25.08.2021 23:03
- Has thanked: 123 times
- Been thanked: 168 times
- Kontaktdaten:
Re: Fujinet - kurze Frage, Kurze Antwort
Hi,
habe ich die Frage richtig verstanden
FujiNet benutzt N:
und
andere Programme sollen N: benutzen
dl7ukk
habe ich die Frage richtig verstanden

FujiNet benutzt N:
und
andere Programme sollen N: benutzen


dl7ukk
- Sleeπ
- Beiträge: 2136
- Registriert: 18.06.2021 20:58
- Has thanked: 300 times
- Been thanked: 541 times
- Kontaktdaten:
Re: Schaltplan
Hi Stefan,
ich habe auf Deinem Foto weiter oben eben gesehen, dass Dein W-Lan-Modul eine Buchse für eine externe Antenne hat:
Kannst Du dadran einfach eine externe W-Lan-Antenne anschließen?
Ist der Empfang damit besser als mit der "eingebauten" auf der Platine?
Muß, um die externe Antenne zu nutzen, noch ein "Schalter" (0-Ohm-Brücke oder so) umgesetzt werden?
Da die Signalstärke mit der "Onboard-Antenne" nicht so der Brüller ist, habe ich überlegt ob es möglich ist eine externe Antenne zu nutzen. Bei meinem W-Lan-Modul fehlt allerdings die Buchse.
ich habe auf Deinem Foto weiter oben eben gesehen, dass Dein W-Lan-Modul eine Buchse für eine externe Antenne hat:
Kannst Du dadran einfach eine externe W-Lan-Antenne anschließen?
Ist der Empfang damit besser als mit der "eingebauten" auf der Platine?
Muß, um die externe Antenne zu nutzen, noch ein "Schalter" (0-Ohm-Brücke oder so) umgesetzt werden?
Da die Signalstärke mit der "Onboard-Antenne" nicht so der Brüller ist, habe ich überlegt ob es möglich ist eine externe Antenne zu nutzen. Bei meinem W-Lan-Modul fehlt allerdings die Buchse.
Sleeπ
Re: Fujinet - kurze Frage, Kurze Antwort
Hallo,
also wenn ich Fujinet nutze, läuft es über Internet und auch im Heimnetz mit tnfsd (Win 10) und im FUJI mit Aufruf mit der IP .
Habe mit dem Turbo-Freezer gestoppt und mir die HAT-Tabelle angesehen. Da gibt es keinen Eintrag N:.
Hast du einen N-Treiber extra geladen ?
also wenn ich Fujinet nutze, läuft es über Internet und auch im Heimnetz mit tnfsd (Win 10) und im FUJI mit Aufruf mit der IP .
Habe mit dem Turbo-Freezer gestoppt und mir die HAT-Tabelle angesehen. Da gibt es keinen Eintrag N:.
Hast du einen N-Treiber extra geladen ?
- atarixle
- Beiträge: 412
- Registriert: 18.06.2021 21:19
- Has thanked: 44 times
- Been thanked: 81 times
- Kontaktdaten:
Re: Fujinet - kurze Frage, Kurze Antwort
Also technisch ist das ja so gelöst: solange ich eine Diskette aus dem Internet boote, weiß der Atari noch gar nichts von seinem Glück, im WLAN zu sein. Genau genommen ist das Fujinet im WLAN und nicht der Atari. Man kann also problemlos Disketten aus dem Internet laden, ohne dass N: irgendwo im Spiel ist. Für den Atari ist das nur eine Diskettenstation.
Diese Disketten beinhalten den N: Treiber, damit Programme überhaupt Daten aus dem Internet nachladen können. Tja, und ein Zugriff auf N: lässt das Fujinet bei mir komplett einfrieren. Es ist quasi weg. Hier hilft nur noch ein- und wieder ausschalten.
- Mathy
- Beiträge: 1853
- Registriert: 18.06.2021 11:13
- Wohnort: Heerlen, NL
- Has thanked: 917 times
- Been thanked: 532 times
- Kontaktdaten:
Re: Fujinet - kurze Frage, Kurze Antwort
Hallo Sleepy
Gavin, der diese Platinen erstellt hat, hat jetzt eine Kleinserie von 10 Stück erstellt mit externer Antenne. Müsste also auch bei den normalen Platinen funktionieren.
Mit Antenne gibt's hier.
Sieht dann so aus:
(Bilder füge Ich heute Abend zu. (Sch... Windoof!))
Tschüß
Mathy
Gavin, der diese Platinen erstellt hat, hat jetzt eine Kleinserie von 10 Stück erstellt mit externer Antenne. Müsste also auch bei den normalen Platinen funktionieren.
Mit Antenne gibt's hier.
Sieht dann so aus:
(Bilder füge Ich heute Abend zu. (Sch... Windoof!))
Tschüß
Mathy
Schreibe nicht der Absicht zu, was man mit Dummheit oder Ignoranz erklären kann.
- DjayBee
- Beiträge: 1098
- Registriert: 17.08.2021 04:02
- Has thanked: 813 times
- Been thanked: 384 times
- Kontaktdaten:
Re: Fujinet - kurze Frage, Kurze Antwort
Lieber ein OS, das zu blöd für etwas ist, als eins von einem Hersteller, der etwas aus unklaren Gründen erst gar nicht erlaubt.

-
- Beiträge: 41
- Registriert: 21.08.2021 11:53
- Has thanked: 21 times
Re: Schaltplan
Ein ganz klares Jain !
Das Antenne abklemmen geht, bringt aber gar nix.
Zunächst müsstest Du neben/hinter dem Anschluss einen 0201 Widerstand umlöten.
Ich habs bei anderen ESPs schon mehrfach versucht.
Konnte die danach alle wegschmeißen.
Bin zu Alt für son Scheiß.
Stefan
Äääähm...

Deshalb vielleicht der Scheiß Empfang?
Stefan
- Mathy
- Beiträge: 1853
- Registriert: 18.06.2021 11:13
- Wohnort: Heerlen, NL
- Has thanked: 917 times
- Been thanked: 532 times
- Kontaktdaten:
Re: Fujinet - kurze Frage, Kurze Antwort
.
Hallo Leute
Zwei Bilder, ausgeliehen bei Vintage Computer Centre (Gavin Haubelt):
Tschüß
Mathy
PS MacOS macht soviel so einfach.
Hallo Leute
Zwei Bilder, ausgeliehen bei Vintage Computer Centre (Gavin Haubelt):
Tschüß
Mathy
PS MacOS macht soviel so einfach.
Schreibe nicht der Absicht zu, was man mit Dummheit oder Ignoranz erklären kann.
- Sleeπ
- Beiträge: 2136
- Registriert: 18.06.2021 20:58
- Has thanked: 300 times
- Been thanked: 541 times
- Kontaktdaten:
Re: Schaltplan
Wenn das Bild mit der Buchse von einem der nicht funktionierenden ist, vermutlich ja... ohne Antenne noch schlechterer Empfang als mit der Platinen-Antenne...Stefan Both hat geschrieben: ↑12.10.2021 22:54Ähhh.... der IST bereits umgelötet ?!?!
Deshalb vielleicht der Scheiß Empfang?
Sleeπ
-
- Beiträge: 41
- Registriert: 21.08.2021 11:53
- Has thanked: 21 times
Re: Fujinet - kurze Frage, Kurze Antwort

Zunächst wollte ich die externe Antenne testen und diese einbauen.
Hab mich dann aber dagegen entschieden und mich getraut
den Krümel umzulöten.
Es hätte das Gehäuse zu sehr verschandelt, zumal die Antennenbuchse kaum Platz gehabt hätte.
Der Empfang ist jetzt sehr gut. Reicht über mehrere Räume.
Stefan
- LarryL
- Beiträge: 126
- Registriert: 17.08.2021 06:53
- Wohnort: Bad Eilsen, Germany
- Has thanked: 35 times
- Been thanked: 15 times
- Kontaktdaten:
Re: Fujinet - kurze Frage, Kurze Antwort
Moin
Wollte nicht mal ne Rutsche Fujinets besorgt werden, um diese im Shop anzubieten?
Ich meine, hier mal sowas gelesen zu haben…
Oder habe ich das verpasst?
Aktuell scheint man es nur aus den USA zu bekommen (mit entsprechenden Zoll- und Versandkosten)
Oder kennt jemand eine Alternative in Europa?
VG
Michael
Wollte nicht mal ne Rutsche Fujinets besorgt werden, um diese im Shop anzubieten?
Ich meine, hier mal sowas gelesen zu haben…
Oder habe ich das verpasst?
Aktuell scheint man es nur aus den USA zu bekommen (mit entsprechenden Zoll- und Versandkosten)
Oder kennt jemand eine Alternative in Europa?
VG
Michael
„Wir sind im Auftrag des Herrn unterwegs!“ („Joliet“ Jake & Elwood Blues)
- Mathy
- Beiträge: 1853
- Registriert: 18.06.2021 11:13
- Wohnort: Heerlen, NL
- Has thanked: 917 times
- Been thanked: 532 times
- Kontaktdaten:
Re: Fujinet - kurze Frage, Kurze Antwort
Hallo Michael
Ja, hast Du wohl verpasst. In England verkauft Retro Lemon Fujinets. Aber England ist nicht mehr in der EU drin.
Tschüß
Mathy
Ja, hast Du wohl verpasst. In England verkauft Retro Lemon Fujinets. Aber England ist nicht mehr in der EU drin.
Tschüß
Mathy
Schreibe nicht der Absicht zu, was man mit Dummheit oder Ignoranz erklären kann.
- DjayBee
- Beiträge: 1098
- Registriert: 17.08.2021 04:02
- Has thanked: 813 times
- Been thanked: 384 times
- Kontaktdaten:
Re: Fujinet - kurze Frage, Kurze Antwort
Es sollten noch welche verfügbar sein. Schreib YellowMan mal direkt an.
- LarryL
- Beiträge: 126
- Registriert: 17.08.2021 06:53
- Wohnort: Bad Eilsen, Germany
- Has thanked: 35 times
- Been thanked: 15 times
- Kontaktdaten:
Re: Fujinet - kurze Frage, Kurze Antwort
Hi Mathy,
Danke, aber aus UK wäre es immer noch billiger mit Zoll und Versand aus USA
Ich schau mal
VG
Michael
„Wir sind im Auftrag des Herrn unterwegs!“ („Joliet“ Jake & Elwood Blues)
- DjayBee
- Beiträge: 1098
- Registriert: 17.08.2021 04:02
- Has thanked: 813 times
- Been thanked: 384 times
- Kontaktdaten:
Re: Fujinet - kurze Frage, Kurze Antwort
Wozu willst du das tun wenn es beim ABBUC welche gibt?
Die stehen eben nur (noch?) nicht im Shop.
- LarryL
- Beiträge: 126
- Registriert: 17.08.2021 06:53
- Wohnort: Bad Eilsen, Germany
- Has thanked: 35 times
- Been thanked: 15 times
- Kontaktdaten:
Re: Fujinet - kurze Frage, Kurze Antwort
Will ich ja gar nicht

Mir war nur nicht klar, dass es die noch nicht in den Shop geschafft haben
Dachte, die wären schon alle weg..
Alles gut, also - ich hab Geduld…
„Wir sind im Auftrag des Herrn unterwegs!“ („Joliet“ Jake & Elwood Blues)
- DjayBee
- Beiträge: 1098
- Registriert: 17.08.2021 04:02
- Has thanked: 813 times
- Been thanked: 384 times
- Kontaktdaten:
Re: Fujinet - kurze Frage, Kurze Antwort
Deshalb habe ich ein paar Posts weiter oben geschrieben, dass du YellowMan direkt anschreiben sollst. Er hat welche.

- LarryL
- Beiträge: 126
- Registriert: 17.08.2021 06:53
- Wohnort: Bad Eilsen, Germany
- Has thanked: 35 times
- Been thanked: 15 times
- Kontaktdaten:
Re: Fujinet - kurze Frage, Kurze Antwort
Hab ich gemacht, er hat noch keine
Aber wenn, sagt er hier Bescheid
Aber wenn, sagt er hier Bescheid
„Wir sind im Auftrag des Herrn unterwegs!“ („Joliet“ Jake & Elwood Blues)
- Yellow_Man
- Beiträge: 373
- Registriert: 07.06.2021 00:35
- Wohnort: Alpha Centauri
- Has thanked: 77 times
- Been thanked: 244 times
- Kontaktdaten:
Re: Fujinet - kurze Frage, Kurze Antwort
Nein, ich habe noch keine Geräte. Unser erster Vorsitzende hat sie noch. Er hat auch die Gehäuse. Wendet euch bitte an skr.
-
- Beiträge: 23
- Registriert: 17.08.2021 07:02
- Has thanked: 2 times
- Been thanked: 3 times
- Kontaktdaten:
Re: Fujinet - kurze Frage, Kurze Antwort
Ich bin verwirrt... Yellow_Man wird immer genannt, Sascha hat aber alles (seit Wochen). Was muss das interessierte Mitglied denn nun genau tun?
- dl7ukk
- Beiträge: 650
- Registriert: 25.08.2021 23:03
- Has thanked: 123 times
- Been thanked: 168 times
- Kontaktdaten:
Re: Fujinet - kurze Frage, Kurze Antwort
Hi
war da nicht was mit Problemen beim Flashen ?
Von Sleepy kam da ein Hinweis
Vielleicht verzögert dass die Auslieferung
Sascha könnte bestimmt was dazu schreiben. Auch Roland, der für bitbastel dem tschak909 das Problem erläutert hat/ erläutern sollte.
dl7ukk
war da nicht was mit Problemen beim Flashen ?
Von Sleepy kam da ein Hinweis
Vielleicht verzögert dass die Auslieferung

Sascha könnte bestimmt was dazu schreiben. Auch Roland, der für bitbastel dem tschak909 das Problem erläutert hat/ erläutern sollte.
dl7ukk
- Alex
- Beiträge: 102
- Registriert: 17.08.2021 16:11
- Has thanked: 14 times
- Been thanked: 10 times
- Kontaktdaten:
Re: Fujinet - kurze Frage, Kurze Antwort
Hi Stefan,Stefan Both hat geschrieben: ↑13.10.2021 19:4420211013_191215.jpg
Ich hab plötzlich Empfang.![]()
Zunächst wollte ich die externe Antenne testen und diese einbauen.
Hab mich dann aber dagegen entschieden und mich getraut
den Krümel umzulöten.
Es hätte das Gehäuse zu sehr verschandelt, zumal die Antennenbuchse kaum Platz gehabt hätte.
Der Empfang ist jetzt sehr gut. Reicht über mehrere Räume.
Stefan
ich habe auch keinen Schaltplan. Um welchen Widerstand handelt es sich? Von wo nach wo?
Grüße aus dem Harz
Micha.
8 Bit ist keine Mode-
sondern eine Einstellung
sondern eine Einstellung
- dl7ukk
- Beiträge: 650
- Registriert: 25.08.2021 23:03
- Has thanked: 123 times
- Been thanked: 168 times
- Kontaktdaten:
Re: Fujinet - kurze Frage, Kurze Antwort
.
Hi,
.
. .
Aber, vermutlich wirst Du diesen Teil des ESP32 suchen ..
. .
übrigens ... , wenn ich das richtig sehe, es sind 0 Ohm Widerstände mit 5% Toleranz. ... Chic
dl7ukk
Hi,
.
Daran soll es nicht scheitern
. .
Aber, vermutlich wirst Du diesen Teil des ESP32 suchen ..
. .
übrigens ... , wenn ich das richtig sehe, es sind 0 Ohm Widerstände mit 5% Toleranz. ... Chic

dl7ukk
Wer ist online?
Mitglieder in diesem Forum: 0 Mitglieder und 1 Gast