Atari XE pcb remake - Erfahrungsaustauch

Moderatoren: Sleeπ, andymanone

Erhard
Beiträge: 1252
Registriert: 04.11.2021 15:52
Has thanked: 153 times
Been thanked: 389 times
Kontaktdaten:

Atari XE pcb remake - Erfahrungsaustauch

Beitrag von Erhard »

Hi Olix,
Olix hat geschrieben:
29.12.2021 11:07
Leider hat Panos bisher keinen Schaltplan zu seinem Board veröffentlicht.
das ist leider allzu wahr.
Olix hat geschrieben:
29.12.2021 11:07
welche Änderungen er im Video-Part bereits berücksichtigt hat
Da ich außerhalb des UAV bislang keinen 75 Ohm Widerstand verbaut habe - diese Änderung zumindest nicht.
Olix hat geschrieben:
29.12.2021 11:07
auf AtariAge anfragen
Das geht leider nicht. Ich habe da kein Konto (mehr). Ich wahr da früher (vor 15 bis 20 Jahren) mal Mobbingopfer einer Person und habe damals einen Schlußstrich unter AA gezogen.

Sleepy's Zusammenfassung ist mir nicht entgangen, aber Danke für den zusätzlichen Hinweis auf das BASIC-ROM-Problem. Das hatte ich bislang nicht auf dem Schirm.

Es wird eh noch länger dauern, bis die Platine fertig bestückt ist. Vielleicht wage ich mich heute an einen der SMD-Chips.

CU, Erhard
Jede Info, die zu Hause auf meinem Rechner liegt habe ich unterwegs nicht verfügbar.
Jede Info, die im Netz liegt finde ich nicht wieder, wenn ich sie benötige.

Erhard
Beiträge: 1252
Registriert: 04.11.2021 15:52
Has thanked: 153 times
Been thanked: 389 times
Kontaktdaten:

Atari XE pcb remake - Erfahrungsaustauch

Beitrag von Erhard »

So, fast fertig:

Almost_RDY.png


Sogar die SMDs hab ich einigermaßen hinbekommen:

UAV.png
UAV.png (450.96 KiB) 22060 mal betrachtet


Allen einen guten Rutsch in ein möglichst spaßreicheres neues Jahr.

CU, Erhard
Jede Info, die zu Hause auf meinem Rechner liegt habe ich unterwegs nicht verfügbar.
Jede Info, die im Netz liegt finde ich nicht wieder, wenn ich sie benötige.

Erhard
Beiträge: 1252
Registriert: 04.11.2021 15:52
Has thanked: 153 times
Been thanked: 389 times
Kontaktdaten:

Re: Atari XE pcb remake - Erfahrungsaustauch

Beitrag von Erhard »

LarryL hat geschrieben:
22.10.2021 19:08
FlorianD hat geschrieben:
22.10.2021 19:05
der kleine Drehschalter bei S1 kann auch UNTER die Platine, richtig? Und dann ein kleines Loch ins Gehäuse bohren, damit man ihn mit einem Schraubendreher betätigen kann zum Umschalten.
Der gehört unter die Platine!
Alternativ von oben der 2p DIP Switch
Na supi. Wie krieg ich den wieder ab? Und mit welcher Orientierung kommt er von unten dran? Der Schalter hat einen winzigen Punkt auf einer Ecke ...

Sleepy, nimm doch diesen Hinweis bitte mit in Deine Zusammenfassung!

CU, Erhard
Jede Info, die zu Hause auf meinem Rechner liegt habe ich unterwegs nicht verfügbar.
Jede Info, die im Netz liegt finde ich nicht wieder, wenn ich sie benötige.

Benutzeravatar
Olix
Beiträge: 2412
Registriert: 17.08.2021 07:06
Has thanked: 365 times
Been thanked: 1740 times
Kontaktdaten:

Re: Atari XE pcb remake - Erfahrungsaustauch

Beitrag von Olix »

Sinn dafür, dass der Drehschalter unten aufgelötet ist, dass dann auch bei geschlossenem Gehäuse noch durch ein kleines Loch in der Unterseite die RAM Konfiguration eingestellt werden kann. Falls dies so nicht benötigt wird, kann auch ein kleiner Dip-Switch oben aufgelötet wrden.

Die Position des Drehschalters wird hier beschrieben (auch mit Bild):

https://atariage.com/forums/topic/31988 ... nt=4809969

Benutzeravatar
Sleeπ
Beiträge: 2223
Registriert: 18.06.2021 20:58
Has thanked: 324 times
Been thanked: 594 times
Kontaktdaten:

Re: Atari XE pcb remake - Erfahrungsaustauch

Beitrag von Sleeπ »

LarryL hat geschrieben:
22.10.2021 19:08
Der gehört unter die Platine!
Alternativ von oben der 2p DIP Switch
Erhard hat geschrieben:
31.12.2021 16:47
Na supi. Wie krieg ich den wieder ab? Und mit welcher Orientierung kommt er von unten dran? Der Schalter hat einen winzigen Punkt auf einer Ecke ...

Sleepy, nimm doch diesen Hinweis bitte mit in Deine Zusammenfassung!
Mist - ich habe einen DIP-Switch von Oben bestückt; ein Drehschalter von unten macht viel mehr Sinn...

Kommt noch mit in das "Best of..."

Also, wenn mehrere Lötstellen so dicht beieeinander liegen löte ich das normalerweise so aus:
Breite Lötspitze, Temperatur etwas höher (400..450 °C), dann einen richtig dicken Tropfen Lötzinn auf die direkt nebeneinanderliegenden Lötstellen, so daß eine richtig dicke, fette Kugel möglichst viele Kontakte umschließt - bei 2 x 2 Kontakten sind das zwei Kugeln. Diese dann mit dem Lötkolben abwechselnd erhitzen, so daß beide Kugeln heiß sind. Dann kann man den Schalter vorsichtig versuchen rauszuziehen, ggf. dabei etwas kippeln an der Seite an der man gerade als letztes mit dem Kolben nachgeheizt hat.

So kriege ich auch kleine DIP-Relais mit 2 x 6 Kontakten ganz gut raus.
Sleeπ

Benutzeravatar
Sleeπ
Beiträge: 2223
Registriert: 18.06.2021 20:58
Has thanked: 324 times
Been thanked: 594 times
Kontaktdaten:

Re: Atari XE pcb remake - Erfahrungsaustauch

Beitrag von Sleeπ »

Ist eingepflegt; ganz an den Anfang.

@Erhard: Wenn Du das Ding wieder draußen hast, kannst Du probieren ob der DIP-Schalter auch von unten passen würde (also wegen dem Platz bis zum Gehäuseboden)?
Sleeπ

Erhard
Beiträge: 1252
Registriert: 04.11.2021 15:52
Has thanked: 153 times
Been thanked: 389 times
Kontaktdaten:

Atari XE pcb remake - Erfahrungsaustauch

Beitrag von Erhard »

Hi Sleepy,

Sleeπ hat geschrieben:
01.01.2022 09:24
@Erhard: Wenn Du das Ding wieder draußen hast, kannst Du probieren ob der DIP-Schalter auch von unten passen würde (also wegen dem Platz bis zum Gehäuseboden)?
gesagt getan.

Ich habe den Schalter mit meiner Heißluftpistole ausgelötet. Kleine Düse. Temeperatur auf 350 Grad. Gebläse auf Minimun. Platine hochkant fixiert. Den Schalter mit einer Greif-Pinzette gegriffen und dann die Unterseite der Platine an der Schalterstelle erhitzt, bis er rausgeflutscht ist. Dann die 6 Lötpunkte mit zusätzlichem Lot versehen, so daß ein kleiner Buckel entsteht und dann mit dem Entlötkolben abgesaugt, so daß die Löcher wieder frei waren. Zinnreste auf dem Lötstopplack mit dem Fingernagel entfernt und Flußmittelreste mit einem in Brennspiritus getränktem Stück Toilettenpapier weggewischt. Sauber. Null Schäden.

Dann habe ich meinen Live-Atari zerlegt um an das Bodenblech zu kommen. Dann den Drehschalter auf die Unterseite der Platine gelegt und das Bodenblech provisorisch fixiert.

Zwischen dem Schalter und em Bodenblech verbleibt ein guter Millimeter Luft. Der Schalter paßt also auch mit Bodenblech.

Zu Deiner Montageanweisung im Sammelthema solltest Du hinzufügen, daß bei Verwendung des Bodenbleches (und ich sehe keinen Grund, das Bodenblech wegzulassen) wie folgt vorgegangen werden sollte:

0) Die Verwendung des Drehschalters erfordert unter Umständen eine Bohrung in der Unterseite des Atari-Gehäuses. Wer dies nicht möchte sollte den Drehschalter nicht verwenden.
1) Bodenblech vor der Schaltermontage an der Unterseite der Platine befestigen und durch das Loch auf der Platine die Bohrung für das Bodenblech markieren
2) Bodenblech von der Platine abnehmen
3) Das Bodenblech an der markierten Stelle mit einem genügend großen Loch versehen (Vorsicht: Bleche lassen sich üblicherweise besch***** bohren) und das Loch entgraten
4) Die Isolierpappe (soweit vorhanden) in das Bodenblech legen und für die Pappe ein Loch markieren
5) Das Loch in der Pappe sollte etwas größer werden als das Loch im Bodenblech, da die Pappe im Bodenblech etwas Spiel hat und somit ein wenig hin und her rutschen kann
6) Die Platine ins Gehäuseunterteil des Atari legen und für ein eventuell auch hier zu fertigendes Loch dieses durch das Loch in der Platine markieren
7) Danach kann der Drehschalter auf die Platinenunterseite gelötet werden. Wie rum der drauf muß ist auf der Platinenunterseite markiert

So, jetzt kann ich meiner 3. Reichelt-Bestellung noch einen 2-er DIP-Schalter hinzufügen.

CU, Erhard
Jede Info, die zu Hause auf meinem Rechner liegt habe ich unterwegs nicht verfügbar.
Jede Info, die im Netz liegt finde ich nicht wieder, wenn ich sie benötige.

Benutzeravatar
Mathy
Beiträge: 1936
Registriert: 18.06.2021 11:13
Wohnort: Heerlen, NL
Has thanked: 959 times
Been thanked: 583 times
Kontaktdaten:

Re: Atari XE pcb remake - Erfahrungsaustauch

Beitrag von Mathy »

.
Hallo Leute

In Blech sollte man nicht mit 'nem normalen Bohrer bohren, sonst gibt's eckige Löcher. Um in Blech bohren zu können gibt es Spezialbohrer. Die sehen von der Form her in etwa so aus wie ein Weihnachtsbaum.

Tschüß

Mathy
Schreibe nicht der Absicht zu, was man mit Dummheit oder Ignoranz erklären kann.

Erhard
Beiträge: 1252
Registriert: 04.11.2021 15:52
Has thanked: 153 times
Been thanked: 389 times
Kontaktdaten:

Atari XE pcb remake - Erfahrungsaustauch

Beitrag von Erhard »

Hi,

Mathy hat geschrieben:
02.01.2022 01:51
Um in Blech bohren zu können gibt es Spezialbohrer. Die sehen von der Form her in etwa so aus wie ein Weihnachtsbaum.
jepp, besser mal ein paar € mehr ausgeben als beim Atari was zu schrotten. Diese Stufenbohrer gibt es aber scheinbar nur für ganzzahlige Millimeterwerte. Ein 5,5 mm Loch geht also nicht. Und die Kegelfräsen machen leider auch kegelförmige Löcher. Bringt also auch nix. Aber man kommt ja recht nah dran.

Ich muß mal schauen, ob es sowas auch für Minibohrmaschinen gibt ...

CU, Erhard
Jede Info, die zu Hause auf meinem Rechner liegt habe ich unterwegs nicht verfügbar.
Jede Info, die im Netz liegt finde ich nicht wieder, wenn ich sie benötige.

Benutzeravatar
Mathy
Beiträge: 1936
Registriert: 18.06.2021 11:13
Wohnort: Heerlen, NL
Has thanked: 959 times
Been thanked: 583 times
Kontaktdaten:

Re: Atari XE pcb remake - Erfahrungsaustauch

Beitrag von Mathy »

.
Hallo Erhard

Bei unseren Blechen sieht man kaum das die Löcher kegelförmig sind. :lol: Und wenn man bei Kunststoff einmal von der einen und danach noch kurz von der anderen Seite bohrt, ist das Loch fast Zylindrisch und auf dem richtigen Maß. Eventuell hilft man noch ein Bisschen nach mit 'ner Metalfeile. (Danach aber bitte die Kunststoffteilchen aus der Feile entfernen. Manche Kunststoffe sorgen dafür dass das Metal anfängt zu rosten!)

Tschüß

Mathy
Schreibe nicht der Absicht zu, was man mit Dummheit oder Ignoranz erklären kann.

Erhard
Beiträge: 1252
Registriert: 04.11.2021 15:52
Has thanked: 153 times
Been thanked: 389 times
Kontaktdaten:

Atari XE pcb remake - Erfahrungsaustauch

Beitrag von Erhard »

Hi,

wieso sind auf der Remake-Platine nicht die beiden Transistoren unterhalb vom Freddie? Sind die nicht zur Signalverstärkung, wenn ein Quarz statt Oszillator verwendet wird?

Und sind die beiden PINs CAS und CLK nur so für einen eventuellen Abgriff oder müssen die unter bestimmten Bedingungen gebrückt werden?

Mathy hat geschrieben:
02.01.2022 20:32
Und wenn man bei Kunststoff einmal von der einen und danach noch kurz von der anderen Seite bohrt
Mit einer fetten Bohrmaschine und der Kegelfräse kommt man meist nicht von der Innenseite eines Gehäuses senkrecht in das zu bohrende Loch, wenn überhaupt.

CU, Erhard
Jede Info, die zu Hause auf meinem Rechner liegt habe ich unterwegs nicht verfügbar.
Jede Info, die im Netz liegt finde ich nicht wieder, wenn ich sie benötige.

Benutzeravatar
Olix
Beiträge: 2412
Registriert: 17.08.2021 07:06
Has thanked: 365 times
Been thanked: 1740 times
Kontaktdaten:

Re: Atari XE pcb remake - Erfahrungsaustauch

Beitrag von Olix »

Die Schaltung für den Quarz mit den beiden Transistoren (Q4 und Q5) ist in späteren Layouts durch eine einfachere Schaltung ersetzt worden. Auf dieser basiert auch das Remake der 130XE Platine:
Y1.jpg
1641573898704.jpg
Hier ein 130XE/800XE Original Board. Wie man sehen kann gibt es auch hier diese beiden Transistoren nicht mehr.

Die beiden Signalpins für CAS und CLK dienen nur als Abgriff Möglichkeit, falls sie für Erweiterungen benötigt werden. Da muss nichts mit gemacht werden.

Erhard
Beiträge: 1252
Registriert: 04.11.2021 15:52
Has thanked: 153 times
Been thanked: 389 times
Kontaktdaten:

Atari XE pcb remake - Erfahrungsaustauch

Beitrag von Erhard »

Hi,

Olix hat geschrieben:
07.01.2022 17:51
ist in späteren Layouts durch eine einfachere Schaltung ersetzt worden
danke für den Hinweis. Da hab ich wohl vor 30 Jahren die früheren Varianten erwischt :-)

Hast Du vielleicht einen Link zum Herunterladen der Schaltpläne, von denen Du einen Ausschnitt zeigst?

Ich hab zwar eine gute Datei für den XL, aber für den XE fehlt mir noch ein nicht eingescannter Schaltplan in einem Bildformat mit verlustfreier Komprimierung und ohne Anti-Aliasing.
Jede Info, die zu Hause auf meinem Rechner liegt habe ich unterwegs nicht verfügbar.
Jede Info, die im Netz liegt finde ich nicht wieder, wenn ich sie benötige.

Benutzeravatar
Olix
Beiträge: 2412
Registriert: 17.08.2021 07:06
Has thanked: 365 times
Been thanked: 1740 times
Kontaktdaten:

Re: Atari XE pcb remake - Erfahrungsaustauch

Beitrag von Olix »

Aber natürlich.

Ich habe hier im Anhang eine neu gesetzte Fassung des 130XE System Field Service Manuals.
Darin sind alle bekannten Fassungen der 130XE/800XE/65XE sowie des XEGS als moderner Schaltplan abgebildet jeweils mit einem Foto des Motherboards.

Das Board und die Schaltung die für das neue Board wohl als Vorlage diente ist auf Seite 2-12 und 2-13.
Aber ACHTUNG: Das ist nur die Vorlage für das Redesign und kann nur als Vorlage verwendet werden. Es ist nicht der exakte Schaltplan des neuen Boards. Dieser wurde vom Entwickler bis heute leider noch nicht veröffentlicht.
Dateianhänge
130 XE Field Service Manual 2014.pdf
(19.46 MiB) 314-mal heruntergeladen

Erhard
Beiträge: 1252
Registriert: 04.11.2021 15:52
Has thanked: 153 times
Been thanked: 389 times
Kontaktdaten:

Atari XE pcb remake - Erfahrungsaustauch

Beitrag von Erhard »

Hi,

Olix hat geschrieben:
09.01.2022 10:37
Ich habe hier im Anhang eine neu gesetzte Fassung des 130XE System Field Service Manuals.
das sieht schon mal ziemlich gut aus.

Seite 22 habe ich mir einmal auf A2 quer umgestellt und dann in ein PNG gedruckt. Somit habe ich den Schaltplan einzeln, hab ihn im Querformat auf dem Bildschirm und kann ihn mit der Maus hin und her schieben. (Gibt es eigentlich PDF-Viewer, die das auch so können? Wenn ich was im PDF größer darstellen lasse muß ich immer die Scrollbalken benutzen ...)

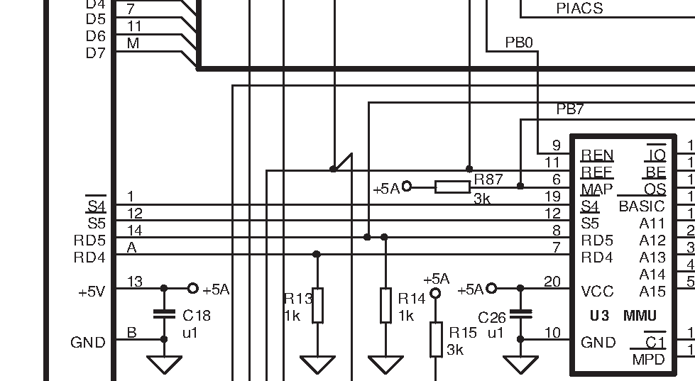
Kann es sein, daß da ein Fehler im Schaltplan ist? Da geht U1b PIN 7 über R2 und C22 u.a. an die /REF-Leitung aus U3 PIN 11.

Seltsamer_Fehler.png

Uuups, ich seh gerade, daß das nur im PNG so aussieht und nicht im PDF .... very seltsam!

CU, Erhard
Jede Info, die zu Hause auf meinem Rechner liegt habe ich unterwegs nicht verfügbar.
Jede Info, die im Netz liegt finde ich nicht wieder, wenn ich sie benötige.

Benutzeravatar
Olix
Beiträge: 2412
Registriert: 17.08.2021 07:06
Has thanked: 365 times
Been thanked: 1740 times
Kontaktdaten:

Re: Atari XE pcb remake - Erfahrungsaustauch

Beitrag von Olix »

Erhard hat geschrieben:
11.01.2022 16:17

Kann es sein, daß da ein Fehler im Schaltplan ist? Da geht U1b PIN 7 über R2 und C22 u.a. an die /REF-Leitung aus U3 PIN 11.
...
Uuups, ich seh gerade, daß das nur im PNG so aussieht und nicht im PDF .... very seltsam!
Habe ich das richtig verstanden, dass sich das Problem von alleine gelöst hat, also ein Fehler bei der Konvertierung von PDF nach PNG?

Also ich verwende den PDF-XChange Editor: https://www.tracker-software.com/produc ... nge-editor
Den gibt es als kostenlose Version, was aber meistens völlig ausreicht oder gegen Geld mit vielen vielen Funktionen.
Darin kann man entweder per Scrollbalken verschieben oder ins Bild reingreifen und mit der Maus verschieben, wie man es lieber mag.

Erhard
Beiträge: 1252
Registriert: 04.11.2021 15:52
Has thanked: 153 times
Been thanked: 389 times
Kontaktdaten:

Re: Atari XE pcb remake - Erfahrungsaustauch

Beitrag von Erhard »

Hi,

Olix hat geschrieben:
11.01.2022 16:55
Habe ich das richtig verstanden, dass sich das Problem von alleine gelöst hat, also ein Fehler bei der Konvertierung von PDF nach PNG?
Exakt!

Olix hat geschrieben:
11.01.2022 16:55
PDF-XChange
Vielen Dank für den Tip. Werde ich bei nächster Gelegenheit ausprobieren!
Jede Info, die zu Hause auf meinem Rechner liegt habe ich unterwegs nicht verfügbar.
Jede Info, die im Netz liegt finde ich nicht wieder, wenn ich sie benötige.

Erhard
Beiträge: 1252
Registriert: 04.11.2021 15:52
Has thanked: 153 times
Been thanked: 389 times
Kontaktdaten:

Atari XE pcb remake - Erfahrungsaustauch

Beitrag von Erhard »

So, ich bin mit der Bestückung fertig, inklusive der Korrekturen der Platine für das BASIC Eprom und der 2 Brücken bei der Hias-Erweiterung.

Die beiden Brücken hatte ich erst vergessen, da blieb der Bildschirm rot.

Jetzt bleibt er schwarz :-(

Mein Oskar sagt, daß auf allen Takt-, Adress- und Datenleitungen was los ist.

Ergo ist wohl der nächste Schritt, mittels Logikanalysator festzustellen, bei welchen Adressen die CPU sich so rumtreibt.

So ein Mist. Ich hab das Teil wirklich sehr sorgfältig zusammengebaut. Bei jedem Widerstandstütchen geprüft, ob das drin ist was drauf steht. Sogar die Kondensatoren hab ich nachgemessen. Ein undankbarer Lohn für so viel Arbeit.
Jede Info, die zu Hause auf meinem Rechner liegt habe ich unterwegs nicht verfügbar.
Jede Info, die im Netz liegt finde ich nicht wieder, wenn ich sie benötige.

Benutzeravatar
Sleeπ
Beiträge: 2223
Registriert: 18.06.2021 20:58
Has thanked: 324 times
Been thanked: 594 times
Kontaktdaten:

Re: Atari XE pcb remake - Erfahrungsaustauch

Beitrag von Sleeπ »

Erhard hat geschrieben:
11.01.2022 16:17
Somit habe ich den Schaltplan einzeln, hab ihn im Querformat auf dem Bildschirm und kann ihn mit der Maus hin und her schieben. (Gibt es eigentlich PDF-Viewer, die das auch so können? Wenn ich was im PDF größer darstellen lasse muß ich immer die Scrollbalken benutzen ...)
Auf der Arbeit nutze ich den "Adobe Acrobat Reader DC": im Bild rechte Maustaste drücken und das Werkzeug "Hand" wählen.
Sleeπ

Benutzeravatar
Olix
Beiträge: 2412
Registriert: 17.08.2021 07:06
Has thanked: 365 times
Been thanked: 1740 times
Kontaktdaten:

Re: Atari XE pcb remake - Erfahrungsaustauch

Beitrag von Olix »

Erhard hat geschrieben:
17.01.2022 08:05
So, ich bin mit der Bestückung fertig, inklusive der Korrekturen der Platine für das BASIC Eprom und der 2 Brücken bei der Hias-Erweiterung.
... ja das ist frustrierend, ging mir genauso.

Aber der Reihe nach: Verstehe ich dich richtig, dass du die 512K Erweiterung nicht bestückt hast?
Ich hatte nie getestet ob es wirklich auch ohne geht. Ich meine auf AtariAge hatte auch ein Nutzer das Problem, dass es nicht ging. Ich werde das nochmal nachlesen.

Hat es einen Grund, dass Du die Erweiterung nicht bestückst? Falls es nur an dem RAM-Baustein und dem programmierten GAL Baustein liegt kann ich aushelfen, ich hatte mir damals jeweils gleich 2 besorgt.

Hast Du ein Syscheck-Modul? Das hat mir bei der Fehlersuche weitergeholfen, da es auch ohne RAM und ROM (OS und BASIC) startet (Nutzt sein eigenes).
Bei mir war es ein Problem mit dem OS-ROM. (Und ein instabiler PIA - aber das habe ich erst später rausgefunden).

Aber nicht aufgeben!!!!!
Ich bin mir sicher, du bekommst das Ding zum Laufen.

Erhard
Beiträge: 1252
Registriert: 04.11.2021 15:52
Has thanked: 153 times
Been thanked: 389 times
Kontaktdaten:

Atari XE pcb remake - Erfahrungsaustauch

Beitrag von Erhard »

Hi,

Olix hat geschrieben:
17.01.2022 08:28
Verstehe ich dich richtig, dass du die 512K Erweiterung nicht bestückt hast?
Ich hatte nie getestet ob es wirklich auch ohne geht. Ich meine auf AtariAge hatte auch ein Nutzer das Problem, dass es nicht ging. Ich werde das nochmal nachlesen.
auf der Platine gibt es dafür extra die beiden zu setzenden Brücken beim Hias-GAL.

Olix hat geschrieben:
17.01.2022 08:28
Hat es einen Grund, dass Du die Erweiterung nicht bestückst?
Ich wollte die erst bestücken, wenn der Rest geht (eine Fehlerquelle weniger).

Olix hat geschrieben:
17.01.2022 08:28
Hast Du ein Syscheck-Modul?
Ja, hab ich, kann ich aber noch nicht anschließen, weil ich die Anschlüsse für Modulport und ECI noch nicht angebracht hab. Und die sind deshalb noch nicht drauf, weil die wirklich nicht gut passen. Der PIN-Abstand von der vorderen zur hinteren Reihe ist kleiner als das Maß auf der Platine und außerdem haben die PINs Richtung nach oben eine Verdickung, die nicht in die Lötpunkte reinpaßt. Wie hast Du das gemacht? Hast Du jeden PIN dünner geflext oder gefeilt?
Jede Info, die zu Hause auf meinem Rechner liegt habe ich unterwegs nicht verfügbar.
Jede Info, die im Netz liegt finde ich nicht wieder, wenn ich sie benötige.

Erhard
Beiträge: 1252
Registriert: 04.11.2021 15:52
Has thanked: 153 times
Been thanked: 389 times
Kontaktdaten:

Re: Atari XE pcb remake - Erfahrungsaustauch

Beitrag von Erhard »

Hi,

Olix hat geschrieben:
13.09.2021 08:53
ECI right-angle card-edge connector 2x7 und 2x15 / Cardridge Slot 14 und 30 Pol - (AliExpress)
so, ich hab mir die Teile gerade einmal zur Brust genommen.

Damit die Buchsen erstens plan aufliegen und zweitens genauso weit hinten heraus schauen wie der originale Anschluß müssen eigentlich alle PINs neu abgekantet werden. Die PINs, die nahe am Steckergehäuse umgebogen sind müßten eigentlich erst 2 mm später umgebogen sein und die hinteren noch deutlich weiter. Beim Geradebiegen sind dann die hinteren PINs im Weg und beim neu umbiegen ist dann auch direkt der erste PIN abgebrochen. Supi. Ich hab dann trotzdem weiter gemacht und das Teil zum "Üben" benutzt". Sind hinterher total Schitte (Achtung! Netiquettenalarm!) aus, weil man das mit einer einfachen Spitzzange nicht so hinbekommt, daß alle PINs zumindest einigermaßen gleich aussehen. Das wird bei mir nix. Ab in die Tonne.

CU
Jede Info, die zu Hause auf meinem Rechner liegt habe ich unterwegs nicht verfügbar.
Jede Info, die im Netz liegt finde ich nicht wieder, wenn ich sie benötige.

Benutzeravatar
Sleeπ
Beiträge: 2223
Registriert: 18.06.2021 20:58
Has thanked: 324 times
Been thanked: 594 times
Kontaktdaten:

Re: Atari XE pcb remake - Erfahrungsaustauch

Beitrag von Sleeπ »

@Erhard: Ich habe noch ein paar von den Teilen!

So wie ich Olix verstanden habe, läßt sich aber mit den zwangsweise leicht schräg eingelöteten Buchsen eine Platine / Modul einstecken. Es sähe natürlich schöne aus wenn sie plan aufliegen würden. Ich selber habe die Dinger noch nicht bestückt (da ich aktuell die Platine wegen des DVI-Steckers nicht ganz nach hinten an ihren korrekten Platz schieben kann), sie lassen sich aber, wie auf den Bilder weiter oben zu sehen, in die Lötaugen stecken.
Sleeπ

Benutzeravatar
Olix
Beiträge: 2412
Registriert: 17.08.2021 07:06
Has thanked: 365 times
Been thanked: 1740 times
Kontaktdaten:

Re: Atari XE pcb remake - Erfahrungsaustauch

Beitrag von Olix »

Sleeπ hat geschrieben:
17.01.2022 20:16
So wie ich Olix verstanden habe, läßt sich aber mit den zwangsweise leicht schräg eingelöteten Buchsen eine Platine / Modul einstecken.
Genau so ist es. Bei mir hat das funktioniert und ich kann, auch bei geschlossenem Gehäuse, sowohl Spiele-Module wie auch Platinen wie SysCheck Problemlos nutzen. Möchte aber nicht garantieren, dass das immer so funktioniert.

Ich kann für Testzwecke auch gerne von den Buchsen zur Verfügung stellen. Hab davon noch ein gutes Dutzend übrig.

Erhard
Beiträge: 1252
Registriert: 04.11.2021 15:52
Has thanked: 153 times
Been thanked: 389 times
Kontaktdaten:

Re: Atari XE pcb remake - Erfahrungsaustauch

Beitrag von Erhard »

Hi,

Sleeπ hat geschrieben:
17.01.2022 20:16
läßt sich aber mit den zwangsweise leicht schräg eingelöteten Buchsen
damit es richtig gut aussieht sollten die plan aufliegen. Da Module wie der Freezer relativ schwer sind hat dieser am hinteren Ende auch extra Stützen. Wenn ich den Freezer jetzt schräg einstecken müßte würden die Stützen nicht passen.

Also für den Anfang hab ich eine 800 XE Platine geschlachtet. Bei dem fehlte ohnehin die Tastatur. Ich hab den kompletten ECI-Connector aus- und auf das neue Board eingelötet. Jetzt konnte ich auch ein SysCheck anschließen.

Demnach wären die DRAMs kaputt. Da aber beide nagelneu sind und auch mit einem zweiten Paar nix geht liegt es wohl nicht an den DRAMs. Die Leitungen zu den DRAMs sind auch ohmisch gemessen alle verbunden. In den nächsten Tagen werde ich schauen, ob irgendwelche Signale fehlen. Im schlimmsten Fall hätte der Freddie das Auslöten aus der vorherigen Platine nicht verkraftet. Das würde mich echt anpieseln, weil es aktuell keinen vollwertigen Ersatz gibt.

Auf das Angebot mit den ECI/Modul Steckern komme ich vielleicht zurück. Aber nur, wenn ich was zum sauber neu abkanten gefunden habe. Noch viel besser wäre es allerdings, wenn man die Originalteile als Nachbau mit industriell vergoldeten Kontakten für hohe Steckzyklen bekommen / nachbauen lassen könnte.
Jede Info, die zu Hause auf meinem Rechner liegt habe ich unterwegs nicht verfügbar.
Jede Info, die im Netz liegt finde ich nicht wieder, wenn ich sie benötige.

Benutzeravatar
Olix
Beiträge: 2412
Registriert: 17.08.2021 07:06
Has thanked: 365 times
Been thanked: 1740 times
Kontaktdaten:

Re: Atari XE pcb remake - Erfahrungsaustauch

Beitrag von Olix »

Erhard hat geschrieben:
18.01.2022 08:01

Demnach wären die DRAMs kaputt. Da aber beide nagelneu sind und auch mit einem zweiten Paar nix geht liegt es wohl nicht an den DRAMs. Die Leitungen zu den DRAMs sind auch ohmisch gemessen alle verbunden. In den nächsten Tagen werde ich schauen, ob irgendwelche Signale fehlen. Im schlimmsten Fall hätte der Freddie das Auslöten aus der vorherigen Platine nicht verkraftet. Das würde mich echt anpieseln, weil es aktuell keinen vollwertigen Ersatz gibt.
Freddie Ersatz gibt es bei Ebay für um die 20 Euro: https://www.ebay.de/itm/124704063542?ha ... SwLjxgjGF9

Oder aber in der Kombination mit 64KB SRAM bei Lotharek (18 Euro SRAM + 8 Euro Freddy) https://lotharek.pl/productdetail.php?id=291

Hast Du Deine RAM Bausteine mal in einem funktionierenden Board quer geprüft, denn im Atariage-Thread zum neuen XE PCB gab es einige Brichte über "neue" 41464 die nicht funktioniert haben.

Benutzeravatar
Olix
Beiträge: 2412
Registriert: 17.08.2021 07:06
Has thanked: 365 times
Been thanked: 1740 times
Kontaktdaten:

Re: Atari XE pcb remake - Erfahrungsaustauch

Beitrag von Olix »

Erhard hat geschrieben:
18.01.2022 08:01
damit es richtig gut aussieht sollten die plan aufliegen. Da Module wie der Freezer relativ schwer sind hat dieser am hinteren Ende auch extra Stützen. Wenn ich den Freezer jetzt schräg einstecken müßte würden die Stützen nicht passen.
Bei mir passt der Freezer und funktioniert auch:

IMG_20220118_101951.jpg

IMG_20220118_102123.jpg

Erhard
Beiträge: 1252
Registriert: 04.11.2021 15:52
Has thanked: 153 times
Been thanked: 389 times
Kontaktdaten:

Atari XE pcb remake - Erfahrungsaustauch

Beitrag von Erhard »

Hi,

Olix hat geschrieben:
18.01.2022 10:13
Freddie Ersatz gibt es bei Ebay für um die 20 Euro
uups, das ist sehr gut zu wissen. Ich werde Sleepy mal fragen, ob er bei eBay einkaufen kann. Ich hab da kein Konto.

Der Lotharek-Freddie kann ja keine DRAMs, wie ich mich zu erinnern glaube.
Olix hat geschrieben:
18.01.2022 10:13
Atariage-Thread zum neuen XE PCB gab es einige Brichte über "neue" 41464 die nicht funktioniert haben
Hm, okay. Werde ich checken. Die sind allerdings eher ungebraucht als neu, denn die lagen sicherlich schon seit 10 Jahren mit Chip-Hülle in der Schublade.
Jede Info, die zu Hause auf meinem Rechner liegt habe ich unterwegs nicht verfügbar.
Jede Info, die im Netz liegt finde ich nicht wieder, wenn ich sie benötige.

Benutzeravatar
Olix
Beiträge: 2412
Registriert: 17.08.2021 07:06
Has thanked: 365 times
Been thanked: 1740 times
Kontaktdaten:

Re: Atari XE pcb remake - Erfahrungsaustauch

Beitrag von Olix »

Genau richtig:

Der Freddie aus EBAY ist ein vollwertiger Ersatz für einen Original und kann so direkt ohne weiteres Zutun verwendet werden (so stehts zumindest in der Beschreibung)
Der Freddy (mit Y) von Lotharek funktioniert nur in Verbindung mit dem 64KB SRAM Modul. Das ist aber zusammen genauso billig/teuer wie der obige Ersatz und man spart sich dann die DRAM-Module, falls diese defekt sind.
Preislich kommt das nicht teuerer. Wenn ich mich richtig erinnere hat hier auch schon jemand geschrieben, dass er diese Lotharek Kombination in dem neuen XE Board erfolgreich verwendet hat.

Falls du möchtest, kann ich mal schauen, ob ich noch 2 Stück 41464 in Der Kiste habe, die könnte ich dann testen und Dir zukommen lassen.
Ansonsten, falls Deine Fehlersuche nicht zum Erfolg führt, würde ich zur Lotharek Lösung raten da:

1. Gleich ein Freddie Ersatz dabei ist.
2. DRAM Probleme gelöst sind
3. Günstiger als neuer Freddie + neue 41464

Benutzeravatar
Mathy
Beiträge: 1936
Registriert: 18.06.2021 11:13
Wohnort: Heerlen, NL
Has thanked: 959 times
Been thanked: 583 times
Kontaktdaten:

Re: Atari XE pcb remake - Erfahrungsaustauch

Beitrag von Mathy »

.
Hallo Leute

Lotharek hat einen Freddie Ersatz in Entwicklung, die auch mit DRAMs arbeitet. Guckst Du hier.

Tschüß

Mathy
Schreibe nicht der Absicht zu, was man mit Dummheit oder Ignoranz erklären kann.

Erhard
Beiträge: 1252
Registriert: 04.11.2021 15:52
Has thanked: 153 times
Been thanked: 389 times
Kontaktdaten:

Atari XE pcb remake - Erfahrungsaustauch

Beitrag von Erhard »

Hi,

ich habe gerade noch nacheinander alle meine Rechner aufgeschraubt um notewendige Tests durchzuführen.

Die DRAMs konnte ich in einem 800 XE mit 4 x 64Kx4 erfolgreich testen.
CPU, ANTIC, GTIA und POKEY konnte ich in einem anderen 800 XE testen, wo ich mal alle Chips außer Freddie und PIA gesockelt hatte.
Den Freddie hab ich in dem Rechner getestet wo ich ihn rausgerupft hatte, aber nachdem ich einen Sockel eingelötet hatte :-) Auch okay.
Die Brücken im HIAS-GAL-Sockel gegen ein (damals von HIAS erhaltenes GAL) zu ersetzten hat auch nicht geholfen.

Dann hab ich die MMU aus dem Rechner mit den vielen Sockeln rausgenommen und die in das neue Board statt dem selbstgebrannten GAL reingesetzt -> Tada -> geht.

Möglicherweise bin ich einer fehlerhaften Jedec-Datei aufgesessen. Ich schau gleich mal hier im Forum, ob eine referenziert ist. Dann mach ich das GAL neu.

Dann hab ich noch das Abschirmblech von der Video-Buchse abgerissen (sorgfältig und vorsichtig entfernt). Jetzt kann ich auch den Stecker rein und raus stecken, ohne die Buchse vom Board zu reißen.

@Olix: grundsätzlich will ich lieber einen vollwertigen Freddie haben, weil man mit dem auch auf SRAM umsteigen kann, wenn man mal keine DRAMs mehr hat, aber nicht umgekehrt.

@Mathy: das ist eine sehr gute Nachricht. Ich finde es ein bisschen schade Rechner zu schlachten, um an die Spezialchips zu kommen.
Jede Info, die zu Hause auf meinem Rechner liegt habe ich unterwegs nicht verfügbar.
Jede Info, die im Netz liegt finde ich nicht wieder, wenn ich sie benötige.

FlorianD
Beiträge: 438
Registriert: 19.08.2021 00:18
Has thanked: 87 times
Been thanked: 183 times
Kontaktdaten:

Re: Atari XE pcb remake - Erfahrungsaustauch

Beitrag von FlorianD »

Olix hat geschrieben:
18.01.2022 13:05
...
Wenn ich mich richtig erinnere hat hier auch schon jemand geschrieben, dass er diese Lotharek Kombination in dem neuen XE Board erfolgreich verwendet hat.
...
Das war ich. Das klappt vorzüglich mit den Teilen von Lotharek.

Erhard
Beiträge: 1252
Registriert: 04.11.2021 15:52
Has thanked: 153 times
Been thanked: 389 times
Kontaktdaten:

Atari XE pcb remake - Erfahrungsaustauch

Beitrag von Erhard »

Hi,

hat jemand zufällig die Jedec-Datei für die MMU für mich? Hier im Forum hab ich die nicht gefunden oder übersehen.

Notfalls tippe ich den Quellcode aus dem Original-Dokument von Atari ab, aber dann muß ich mich auf die Suche nach dem CLI-Tool machen, mit dem ich vor 20 oder mehr Jahren die ein oder andere JEDEC-Datei erzeugt hatte ... wenn mir doch nur der Name einfallen würde.

CU
Jede Info, die zu Hause auf meinem Rechner liegt habe ich unterwegs nicht verfügbar.
Jede Info, die im Netz liegt finde ich nicht wieder, wenn ich sie benötige.

Online
Benutzeravatar
LarryL
Beiträge: 131
Registriert: 17.08.2021 06:53
Wohnort: Bad Eilsen, Germany
Has thanked: 35 times
Been thanked: 17 times
Kontaktdaten:

Re: Atari XE pcb remake - Erfahrungsaustauch

Beitrag von LarryL »

Erhard hat geschrieben:
18.01.2022 21:02
Hi,

hat jemand zufällig die Jedec-Datei für die MMU für mich? Hier im Forum hab ich die nicht gefunden oder

CU
https://atariage.com/forums/topic/2817 ... gal-chips/
„Wir sind im Auftrag des Herrn unterwegs!“ („Joliet“ Jake & Elwood Blues)

Erhard
Beiträge: 1252
Registriert: 04.11.2021 15:52
Has thanked: 153 times
Been thanked: 389 times
Kontaktdaten:

Atari XE pcb remake - Erfahrungsaustauch

Beitrag von Erhard »

Hi,

@Larry: Danke für den Link. Ich hab mir die Datei heruntergeladen.

Laut Inhaltsbeschreibung ist die für ein PAL16V8. Gibt es überhaupt PALs in "V"? Gab es die nicht nur in H und L?

Kann ich die nun unverändert in ein GAL16V8 schreiben?

Ich hab noch mindestens 2 Jedec-Dateien selber, die angeblich für die XL-MMU sein sollen. Die sind beide für ein GAL16V8, aber unterschiedlich. Eine davon scheint dadurch komprimiert zu sein, daß alle 0-Zeilen weggelassen wurden, aber die Zeilen mit Inhalt haben augenscheinlich den gleichen Inhalt, aber in unterschiedlichen Zeilennummern. Mit der Datei von AA (Bob Wooley) hab ich jetzt mindestens 3 Versionen...

CU, Erhard
Jede Info, die zu Hause auf meinem Rechner liegt habe ich unterwegs nicht verfügbar.
Jede Info, die im Netz liegt finde ich nicht wieder, wenn ich sie benötige.

Erhard
Beiträge: 1252
Registriert: 04.11.2021 15:52
Has thanked: 153 times
Been thanked: 389 times
Kontaktdaten:

Atari XE pcb remake - Erfahrungsaustauch

Beitrag von Erhard »

Hi,

Erhard hat geschrieben:
18.01.2022 21:02
dann muß ich mich auf die Suche nach dem CLI-Tool machen, mit dem ich vor 20 oder mehr Jahren die ein oder andere JEDEC-Datei erzeugt hatte ... wenn mir doch nur der Name einfallen würde.
Gefunden. EQN2JED aus OPALJR21.
Jede Info, die zu Hause auf meinem Rechner liegt habe ich unterwegs nicht verfügbar.
Jede Info, die im Netz liegt finde ich nicht wieder, wenn ich sie benötige.

Online
Benutzeravatar
LarryL
Beiträge: 131
Registriert: 17.08.2021 06:53
Wohnort: Bad Eilsen, Germany
Has thanked: 35 times
Been thanked: 17 times
Kontaktdaten:

Re: Atari XE pcb remake - Erfahrungsaustauch

Beitrag von LarryL »

Erhard hat geschrieben:
19.01.2022 08:58
Hi,

@Larry: Danke für den Link. Ich hab mir die Datei heruntergeladen.

Laut Inhaltsbeschreibung ist die für ein PAL16V8. Gibt es überhaupt PALs in "V"? Gab es die nicht nur in H und L?

Kann ich die nun unverändert in ein GAL16V8 schreiben?

Ich hab noch mindestens 2 Jedec-Dateien selber, die angeblich für die XL-MMU sein sollen. Die sind beide für ein GAL16V8, aber unterschiedlich. Eine davon scheint dadurch komprimiert zu sein, daß alle 0-Zeilen weggelassen wurden, aber die Zeilen mit Inhalt haben augenscheinlich den gleichen Inhalt, aber in unterschiedlichen Zeilennummern. Mit der Datei von AA (Bob Wooley) hab ich jetzt mindestens 3 Versionen...

CU, Erhard
Moin Erhard,

Also…. Zu den Detailfragen kann ich mangels Wissen leider nix sagen
Ich habe die aber beim Aufbau meiner XE Remake Platine erfolgreich verwendet (soweit sich mein etwas älteres Gedächtnis noch erinnert)
Ich schaue aber morgen nochmal auf meinem Programmierrechner nach - da liegen die noch
Und ja, ich habe sie erfolgreich mit dem TL866II in ein GAL16V8D gebrannt (die GAL habe ich aus China - neu gibt es die wohl nicht mehr in neu)
Es sollen aber auch ATF16V8 gehen - habe ich aber nicht probiert
Für die EMMU sind es glaube ich GAL22V10 bzw ATF22V10

Edit: sorry, oben alles falsch bzw. nur blanke Theorie - mein Gedächtnis…
Ich hatte für mein XE Board eine originale MMU und nur das GAL für das SRAM gebrannt
Sorry…


VG Michael
„Wir sind im Auftrag des Herrn unterwegs!“ („Joliet“ Jake & Elwood Blues)

Erhard
Beiträge: 1252
Registriert: 04.11.2021 15:52
Has thanked: 153 times
Been thanked: 389 times
Kontaktdaten:

Atari XE pcb remake - Erfahrungsaustauch

Beitrag von Erhard »

Hi,

LarryL hat geschrieben:
19.01.2022 18:31
Edit: sorry, oben alles falsch bzw. nur blanke Theorie - mein Gedächtnis…
nochmal für die Klarheit:

Du hast also auf dem "XE PCB REMAKE" =U3 ein original CO61618 verbaut.

EMMU hab ich jetzt ein paar mal gelesen. Ich nehme an es bezieht sich auf CO25953, die auf dem "XE PCB REMAKE" gar nicht drauf ist / kommt.
Jede Info, die zu Hause auf meinem Rechner liegt habe ich unterwegs nicht verfügbar.
Jede Info, die im Netz liegt finde ich nicht wieder, wenn ich sie benötige.

Online
Benutzeravatar
LarryL
Beiträge: 131
Registriert: 17.08.2021 06:53
Wohnort: Bad Eilsen, Germany
Has thanked: 35 times
Been thanked: 17 times
Kontaktdaten:

Re: Atari XE pcb remake - Erfahrungsaustauch

Beitrag von LarryL »

Erhard hat geschrieben:
19.01.2022 19:14
Hi,

LarryL hat geschrieben:
19.01.2022 18:31
Edit: sorry, oben alles falsch bzw. nur blanke Theorie - mein Gedächtnis…
nochmal für die Klarheit:

Du hast also auf dem "XE PCB REMAKE" =U3 ein original CO61618 verbaut.

EMMU hab ich jetzt ein paar mal gelesen. Ich nehme an es bezieht sich auf CO25953, die auf dem "XE PCB REMAKE" gar nicht drauf ist / kommt.
Ja genau, ich habe das verwechselt…
„Wir sind im Auftrag des Herrn unterwegs!“ („Joliet“ Jake & Elwood Blues)

Erhard
Beiträge: 1252
Registriert: 04.11.2021 15:52
Has thanked: 153 times
Been thanked: 389 times
Kontaktdaten:

Atari XE pcb remake - Erfahrungsaustauch

Beitrag von Erhard »

Hi,

Erhard hat geschrieben:
18.01.2022 20:30
Möglicherweise bin ich einer fehlerhaften Jedec-Datei aufgesessen.
genau so wars!
Jede Info, die zu Hause auf meinem Rechner liegt habe ich unterwegs nicht verfügbar.
Jede Info, die im Netz liegt finde ich nicht wieder, wenn ich sie benötige.

Antworten

Wer ist online?

Mitglieder in diesem Forum: 0 Mitglieder und 1 Gast